文章目录
- 一、知识储备
- 1、 采用位拼接技术实现移位寄存器
- 1.1 左移
- 1.2右移
- 二、HDLBits题目练习
- Shift4四位移位寄存器
- Rotate100
- Shift18
- Lfsr5
- 3位LSFR
- Lfsr32
- shift register
- n位 移位寄存器
- 3-input LUT
- Rule90
- Rule 100
一、知识储备
1、 采用位拼接技术实现移位寄存器
1.1 左移
舍去高位,让输入补低位。(波形中out是16位表示的)
module invert(input in,input clk,input rst_n,output reg [7:0] out);
always@(posedge clk)
if(!rst_n)
out <= 8'd0;
else
out <= {out[6:0],in};

1.2右移
舍去低位,让输入补高位。(波形中out是16位表示的)
module invert(input in,input clk,input rst_n,output reg [7:0] out);
always@(posedge clk)
if(!rst_n)
out <= 8'd0;
else
out <= {in,out[7:1]}; //右移

二、HDLBits题目练习
Shift4四位移位寄存器
构建一个4bit的移位寄存器(右移),含异步复位、同步加载和使能信号
- areset:让寄存器复位为0
- load:加载4bit数据到移位寄存器中,不移位
- ena:使能右移
- q:移位寄存器中的内容
- load和ena同时为1,load具有更高优先级
module top_module(
input clk,
input areset, // async active-high reset to zero
input load,
input ena,
input [3:0] data,
output reg [3:0] q
);
always @ (posedge clk or posedge areset)begin
if(areset)begin
q <= 4'b0;
end
else if(load)begin
q <= data;
end
else if(ena)begin
q <= {1'b0,q[3:1]};
end
else
q <= q;
end
endmodule
Rotate100
构建一个100位的左右旋转器,有同步负载load信号,左右旋转的使能信号。旋转器是从另一端输入移出的位,不像移位器那样丢弃移出位而以零位移位。如果使能信号有效,旋转器就会旋转这些位,而不会修改或丢弃它们。
- load:加载100位的移位寄存器数据
- ena[1:0]:2’b01 右转1bit; 2’b10 左转1bit;
- 其他情况不转(q保持不变)
q:旋转输出内容
module top_module(
input clk,
input load,
input [1:0] ena,
input [99:0] data,
output reg [99:0] q
);
always @ (posedge clk)begin
if(load) begin
q <= data;
end
else begin
case(ena)
2'b01 : q <= {q[0],q[99:1]};
2'b10 : q <= {q[98:0],q[99]};
default : q <= q;
endcase
end
end
endmodule
Shift18
构建一个具有同步负载的64位算术移位寄存器。移位器可以左右移动,也可以移动 1 位或 8 位位置(按量选择)。
算术右移位在移位寄存器(在本例中为q[63])中数字的符号位中移动,而不是像逻辑右移那样为零。另一种思考算术右移位的方法是,它假设被移位的数字是有符号的并保留符号,因此算术右移将有符号数除以2的幂。
逻辑左移和算术左移之间没有区别。
load: 加载带有数据[63:0]的移位寄存器,而不是移位。
ena使能:选择是否移位。
amount数量:选择要移位的方向和位数。
2’b00:向左偏移 1 位。
2’b01:向左偏移 8 位。
2’b10:向右移动 1 位。
2’b11:向右移动 8 位。
q:移位输出的内容
module top_module(
input clk,
input load,
input ena,
input [1:0] amount,
input [63:0] data,
output reg [63:0] q
);
always @ (posedge clk)begin
if(load)begin
q <= data;
end
else if(ena)begin
case(amount)
2'b00: q <= {q[62:0],1'b0};
2'b01: q <= {q[55:0],8'b0};
2'b10: q <= {q[63],q[63:1]};
2'b11: q <= {{8{q[63]}},q[63:8]};
endcase
end
else
q <= q;
end
endmodule
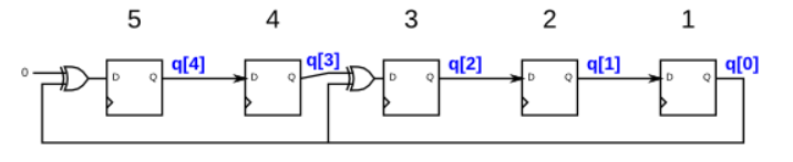
Lfsr5
线性反馈移位寄存器是一个移位寄存器,通常具有几个异或栅极,以产生移位寄存器的下一个状态。其中带有“抽头”的位位置与输出位进行XOR,以产生其下一个值,而没有抽头的位位置移位.
下图显示了一个 5 位最大长度 LFSR,在位位置 5 和 3 处有抽头。(抽头位置通常从 1 开始编号)。为了保持一致性,我在位置 5 处绘制了异或门,但其中一个异或门输入为 0.构建此 LFSR。重置应将 LFSR 重置为 1。

module top_module(
input clk,
input reset, // Active-high synchronous reset to 5'h1
output [4:0] q
);
always @ (posedge clk )begin
if(reset)begin
q <= 5'b1;
end
else begin
q[4] <= 1'b0^q[0];
q[3] <= q[4];
q[2] <= q[3]^q[0];
q[1] <= q[2];
q[0] <= q[1];
end
end
endmodule
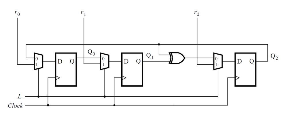
3位LSFR
为如下序列电路编写Verilog代码。假设你要在DE1-SoC板上实现这个电路。将R输入连接到SW开关,将时钟连接到密钥[0],将L连接到密钥[1],将Q输出连接到红灯LEDR上。

module top_module (
input [2:0] SW, // R
input [1:0] KEY, // L and clk
output [2:0] LEDR
); // Q
wire clk;
assign clk = KEY[0];
always @ (posedge clk) begin
if(KEY[1])begin
LEDR[0] <= SW[0];
LEDR[1] <= SW[1];
LEDR[2] <= SW[2];
end
else begin
LEDR[0] <= LEDR[2];
LEDR[1] <= LEDR[0];
LEDR[2] <= LEDR[1]^LEDR[2];
end
end
endmodule
Lfsr32
构建一个 32 位 Galois LFSR,在位位置 32、22、2 和 1 处使用抽头。(抽头如题目Lfsr5中一样,进行异或计算,另外重置的时候置为1,抽头是从1开始的)
module top_module(
input clk,
input reset, // Active-high synchronous reset to 32'h1
output [31:0] q
);
integer i;
always @ (posedge clk)begin
if(reset)begin
q <= 32'b1; //
end
else begin
for(i=0;i<32;i++)begin
if((i==21)||(i==1)||(i==0))begin
q[i] <= q[i+1]^q[0];
end
else if(i==31)begin
q[i] <= 1'b0^q[0];
end
else begin
q[i] <= q[i+1];
end
end
end
end
endmodule
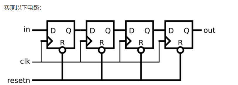
shift register

module top_module (
input clk,
input resetn, // synchronous reset
input in,
output out);
reg [3:0] tmp;
assign out = tmp[0];
always @(posedge clk)begin
if(!resetn)begin
tmp <= 4'h0;
end
else begin
tmp <= {in,tmp[3:1]};
end
end
endmodule
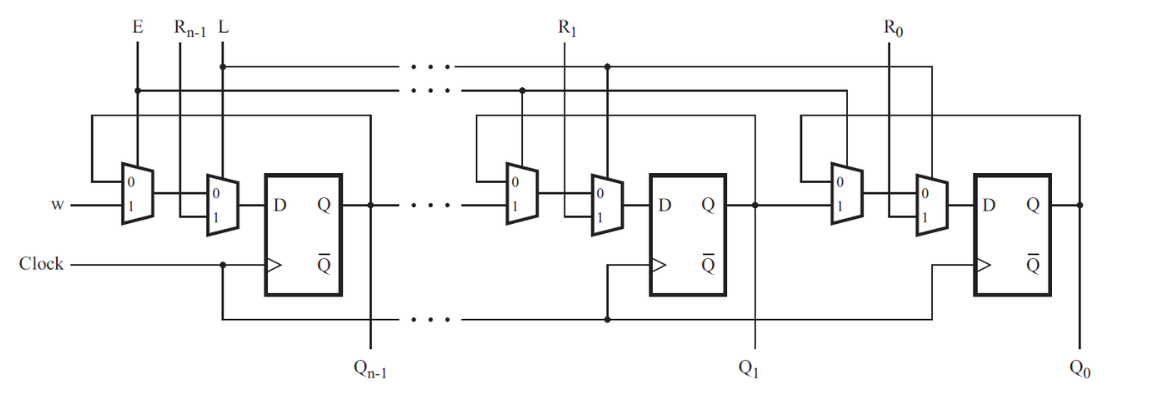
n位 移位寄存器

module top_module (
input [3:0] SW,
input [3:0] KEY,
output [3:0] LEDR
);
MUXDFF u_MUXDFF0 (KEY[0], KEY[3], SW[3],KEY[1],KEY[2],LEDR[3]);
MUXDFF u_MUXDFF1 (KEY[0], LEDR[3], SW[2],KEY[1],KEY[2],LEDR[2]);
MUXDFF u_MUXDFF2 (KEY[0], LEDR[2], SW[1],KEY[1],KEY[2],LEDR[1]);
MUXDFF u_MUXDFF3 (KEY[0], LEDR[1], SW[0],KEY[1],KEY[2],LEDR[0]);
endmodule
module MUXDFF (
input clk,
input W,R,E,L,
output Q
);
wire tmp;
assign tmp = E ? W : Q;
always @(posedge clk)begin
Q <= L? R : tmp;
end
endmodule
3-input LUT
为一个8x1存储器设计一个电路,在这个电路中,写入到存储器是通过移位来完成的,而读取是“随机访问”,就像在一个典型的RAM中一样。然后您将使用该电路实现一个3输入逻辑功能。
首先,用8个D触发器创建一个8位移位寄存器。标记为Q[0]到Q[7]。移位寄存器输入称为S,输入Q[0] (MSB(最高位)先移位)。使能输入enable控制是否移位,扩展电路使其有3个额外的输入A,B,C和一个输出Z。
电路行为如下:当ABC为000时,Z=Q[0],当ABC为001时,Z=Q[1],以此类推。你的电路应该只包含8位移位寄存器和多路复用器。(这个电路称为3输入查找表(LUT))。
module top_module (
input clk,
input enable,
input S,
input A, B, C,
output Z
);
reg [7:0] Q;
always @ (posedge clk)begin
if(enable)begin
Q <= {Q[6:0],S};
end
else
Q <= Q;
end
assign Z = Q[{A,B,C}];
endmodule
Rule90
在每个时间步长中,每个单元的下一状态是此时当前单元相邻两单元(左右)的异或。
在该电路中,创建一个512单元系统(q(511:0)),并在每个时钟周期中前进一个时间步长。加载(load)表明系统的状态data[511:0],假设边界q[0]和q[512] 都为零。
该题目中 center就相当于Q[511:0]
Left就相当于左移{1‘b0,Q[511:0]}
Right就相当于右移{Q[511:0],1‘b0}
module top_module(
input clk,
input load,
input [511:0] data,
output [511:0] q );
always @(posedge clk)begin
if(load)begin
q <= data;
end
else begin
q <= {1'b0,q[511:1]}^{q[510:0],1'b0}; //当前单元为相邻两单元的异或,左^右
end
end
endmodule
Rule 100
在每个时间步长中,每个单元格的状态都会发生变化。在规则 110 中,根据下表,每个单元的下一个状态仅取决于自身及其两个相邻单元.(前一题目取决于左右相邻单元)
要想得到下一状态的值,那么就要找到它与自身center以及左右相邻单元的关系,可以将上面表转化成卡诺图。

得到
q = ( q & ~right) | (~left & right )| (~q & right )
module top_module(
input clk,
input load,
input [511:0] data,
output [511:0] q //center
);
wire [511:0] left ;
wire [511:0] right ;
assign left = {1'b0,q[511:1]};
assign right = {q[510:0],1'b0};
always @ (posedge clk)begin
if(load)begin
q <= data;
end
else begin
q <= (q&(~right) | ((~left)&right | ((~q)&right)));
end
end
endmodule
第三个真难
最后
以上就是安静月饼最近收集整理的关于HDLBits(九)学习笔记——verilog实现移位寄存器、More Circuits(三输入查找表)一、知识储备二、HDLBits题目练习Shift4四位移位寄存器Rotate100Shift18Lfsr53位LSFRLfsr32shift registern位 移位寄存器3-input LUTRule90Rule 100的全部内容,更多相关HDLBits(九)学习笔记——verilog实现移位寄存器、More内容请搜索靠谱客的其他文章。
发表评论 取消回复