目录
题目1:counter 1-12
题目2:counter 1000
题目3:4-digit decimal counter(4位BCD计数器)
题目4:计数时钟(12-hour clock)
题目1:counter 1-12
设计具有以下输入和输出的 1-12 计数器:
- Reset同步高电平有效复位,强制计数器为 1
- Enable 设置为高电平以使计数器运行
- Clk正边沿触发时钟输入
- Q[3:0]计数器的输出
- c_enable、c_load、c_d[3:0]控制信号进入提供的4位计数器,因此可以验证正确的操作。
您有以下可用的组件:
- 下面的 4 位二进制计数器 (count4),它具有使能和同步并行加载输入(负载的优先级高于使能)。count4 模块已提供给您。在电路中实例化它。
- 逻辑门
module count4( input clk, input enable, input load, input [3:0] d, output reg [3:0] Q );
c_enable、c_load和c_d输出分别是进入内部计数器使能、负载和d输入的信号。它们的目的是允许检查这些信号的正确性。
由题意可得代码如下:例化使用名称关联法。
module top_module (
input clk,
input reset,
input enable,
output [3:0] Q,
output c_enable,
output c_load,
output [3:0] c_d
);
// count4 the_counter (.clk(clk), .(c_enable), .c_load, .c_d /*, ... */ );
assign c_enable = enable;
assign c_load = reset | ((Q == 4'd12) && (enable == 1'b1));
assign c_d = c_load ? 4'b1:4'b0;
count4 u1(.clk(clk),.enable(c_enable),.load(c_load),.d(c_d),.Q(Q));
endmodule
仿真部分如下:

题目2:counter 1000
从 1000 Hz 时钟派生一个 1 Hz 信号(称为 OneHertz),该信号可用于驱动一组小时/分钟/秒计数器的 Enable 信号,以创建数字挂钟。由于我们希望时钟每秒计数一次,因此必须每秒精确地置位一个周期的一赫兹信号。使用模 10 (BCD) 计数器和尽可能少的其他门构建分频器。同时输出来自您使用的每个BCD计数器的使能信号(c_enable[0]表示最快的计数器,c_enable[2]表示最慢的计数器)。
为您提供以下BCD计数器。Enable必须为高电平,计数器才能运行。Reset是同步的,并设置为高电平以强制计数器为零。电路中的所有计数器必须直接使用相同的 1000 Hz 信号。
module bcdcount ( input clk, input reset, input enable, output reg [3:0] Q );
模块声明
module top_module (
input clk,
input reset,
output OneHertz,
output [2:0] c_enable
);
代码编写如下:
module top_module (
input clk,
input reset,
output OneHertz,
output [2:0] c_enable
); //
wire [3:0] one,ten,hundred;
assign c_enable = {one == 4'd9 && ten == 4'd9,one == 4'd9,1'd1};
assign OneHertz = {one == 4'd9 && ten == 4'd9 && hundred == 4'd9};
bcdcount counter0 (clk, reset, c_enable[0],one);
bcdcount counter1 (clk, reset, c_enable[1],ten);
bcdcount counter2 (clk, reset, c_enable[2],hundred);
endmodule
仿真结果如下:

题目3:4-digit decimal counter(4位BCD计数器)
构建一个 4 位数的 BCD(二进制编码的十进制)计数器。每个十进制数字使用4位进行编码:q[3:0]是1位,q[7:4]是十位,依此类推。对于数字 [3:1],还要输出一个使能信号,指示上三位数字中的每一位何时应递增。
您可能希望实例化或修改一些一位数的十计数器。

模块声明
module top_module (
input clk,
input reset, // Synchronous active-high reset
output [3:1] ena,
output [15:0] q);
代码编写如下:其中one、ten、hundred、thousand分别表示从最低位到最高位。
module top_module (
input clk,
input reset, // Synchronous active-high reset
output [3:1] ena,
output [15:0] q);
reg [3:0] one,ten,hundred,thousand;
always @(posedge clk)
begin
if(reset || (one == 4'd9))
one <= 4'b0;
else
one <= one +1'b1;
end
always @(posedge clk)
begin
if(reset || ((ten == 4'd9) && (one == 4'd9)))
ten <= 4'b0;
else if(one == 4'd9)
ten <= ten +1'b1;
end
always @(posedge clk)
begin
if(reset || ((ten == 4'd9) &&( one == 4'd9) && (hundred == 4'd9)))
hundred <= 4'b0;
else if((ten == 4'd9) &&( one == 4'd9))
hundred <= hundred +1'b1;
end
always @(posedge clk)
begin
if(reset || ((ten == 4'd9) &&( one == 4'd9 )&& (hundred == 4'd9) &&( thousand == 4'd9)))
thousand <= 1'b0;
else if((ten == 4'd9) &&( one == 4'd9 )&& (hundred == 4'd9))
thousand <= thousand +1'b1;
end
assign q = {thousand,hundred,ten,one};
assign ena[1] = (one == 4'd9) ? 1'b1:1'b0;
assign ena[2] = ((one == 4'd9) && (ten == 4'd9)) ? 1'b1:1'b0;
assign ena[3] = ((one == 4'd9) && (ten == 4'd9) && (hundred == 4'd9)) ? 1'b1:1'b0;
endmodule
部分仿真结果如下:

题目4:计数时钟(12-hour clock)
创建一组适合用作 12 小时制的计数器(带 am/pm 指示器)。您的计数器由快速运行的clk计时,只要您的时钟应该增加(即每秒一次),就会在ena上发出脉冲。
Reset将时钟重置为 12:00 AM。pm 表示 AM 为 0,PM 为 1。hh、mm 和 ss 是两个 BCD(二进制编码十进制)数字,分别表示小时 (01-12)、分钟 (00-59) 和秒 (00-59)。Reset的优先级高于enable,即使未enable,也可能发生Reset。
以下时序图显示了从上午 11:59:59 到中午 12:00:00 的翻转行为以及同步复位和使能行为。

模块声明
module top_module(
input clk,
input reset,
input ena,
output pm,
output [7:0] hh,
output [7:0] mm,
output [7:0] ss);
分析:
- 制作的是一个12小时制的计数器,要求使用BCD计数器来实现
- 要求有时分秒。
- 有复位信号,且复位的优先级高于使能端,复位信号有效时能复位到12点,其中pm 表示 AM 为 0,PM 为 1。
- 要求实现的时间是1点到12点。
代码:
//在顶层模块中实现例化
module top_module(
input clk,
input reset,
input ena,
output pm,
output [7:0] hh,
output [7:0] mm,
output [7:0] ss);
count60 u1(.clk(clk),.reset(reset),.en(ena),.cnt_out(ss));//秒
count60 u2(.clk(clk),.reset(reset),.en(ena&(ss==8'h59)),.cnt_out(mm));//分
count12 u3(.clk(clk),.reset(reset),.en(ena&(ss==8'h59)&(mm===8'h59)),.cnt_out(hh));//时
reg pm1;
always @(posedge clk)
begin
if(reset)
pm1 <= 8'h0;
else if((hh == 8'h11)&(ss == 8'h59)&(mm == 8'h59))
pm1 <= ~pm1;
else;
end
assign pm =pm1;
endmodule
//设计0-59的模60计数器
module count60(clk,reset,en,cnt_out);
input clk,reset,en;
output reg [7:0] cnt_out;
always @(posedge clk)
begin
if(reset)
cnt_out <= 8'h0;
else if(en)
if(cnt_out == 8'h59)begin
cnt_out <= 8'h0;
end
else if(cnt_out[3:0] == 9)begin
cnt_out[3:0] <= 0;
cnt_out[7:4] <= cnt_out[7:4] + 1;//bcd计数器实现的递增
end
else
cnt_out[3:0] <= cnt_out[3:0] + 1;
end
endmodule
//设计模12的计数器
module count12(clk,en,reset,cnt_out);
input clk,en,reset;
output cnt_out;
reg [7:0] cnt_out;
always @(posedge clk)
begin
if(reset)
cnt_out <= 8'h12;//题意要求复位有效时复位至12点
else if(en)
begin
if(cnt_out == 8'h12)
begin
cnt_out <= 1;
end
else if(cnt_out[3:0] == 9)
begin
cnt_out[3:0] <= 0;
cnt_out[7:4] <= cnt_out[7:4] + 1;//bcd计数器实现的递增
end
else
begin
cnt_out[3:0] <= cnt_out[3:0] + 1;
end
end
end
endmodule
仿真结果如下:




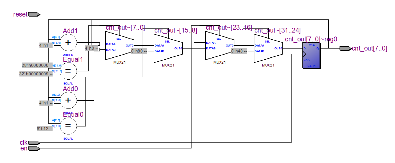
使用quartus ii画出逻辑图如下:

count60(模60计数器)

count2模12计数器:

题目4 代码参考:HDLBits 系列(19) 12小时时钟的Verilog设计_李锐博恩的博客-CSDN博客
最后
以上就是朴实金针菇最近收集整理的关于HDLBITS笔记28:计数器综合题(较难)(包括1-12计数器、1000hz信号计数器、4位BCD计数器计数时钟(12-hour clock))题目1:counter 1-12题目2:counter 1000 题目3:4-digit decimal counter(4位BCD计数器)题目4:计数时钟(12-hour clock)的全部内容,更多相关HDLBITS笔记28:计数器综合题(较难)(包括1-12计数器、1000hz信号计数器、4位BCD计数器计数时钟(12-hour内容请搜索靠谱客的其他文章。
发表评论 取消回复