目前手机大部分都取消了3.5mm耳机接口,那么用有线耳机的用户就需要用到一个Type-C转3.5mm耳机接口的转接器,这里笔者分析了市面上大部分的转接器都是大同小异,直到我了解到乐得瑞科技推出的LDR9201音频芯片,确实有不少过人之处。
LDR9201 是深圳市乐得瑞科技推出的高度集成的单芯片 USB 音频控制器,内置时钟,为 耳机应用节省外部 12MHz 晶振。LDR9201 支持 96 KHz 24 位采样率与外部音频编解码器 (24 位/96KHz I2S 输入和输出),并内置 16/24 位 ADC 立体声、16/24 位 DAC 立体声、耳 机驱动器、五段硬件均衡器、音频 PLL、USB 时钟振荡器和 USB FS 控制器。外部 EEPROM 如 24C02~24C16 的连接为 USB VID/PID/产品字符串、默认增益设置和其他定制需求提供了灵活 性。LDR9201 为 Windows / MAC / Android 等操作系统的 USB 音频解决方案提供最简洁的 BOM。

特点:
◇ 符合 USB 2.0 规范的全速运行模式
◇ 符合 USB 音频设备类规范 v1.0
◇ 支持 44.1KHz/48KHz/96KHz、16bit/24bit 采样率
◇ 嵌入式数字混音器,开机后默认混音器静音(由操作系统控制) 当设置单声道 ADC 时,两个 DAC 通道都与该单个 ADC 数据混合 设置立体声 ADC 时,左声道 DAC 与左声道 ADC 数据混合,右声道 DAC 与右声道 ADC 数 据混合
◇ 电源模式的 ROM 可选设置(USB 总线电源 100mA:默认或 500mA 配置)
◇ ADC 和 DAC 默认支持 16 位和 24 位,48KHz 采样率
◇ 内置耳机驱动,最大 16 欧负载驱动
◇ ADC 输入到 DAC 输出数据路径可选
◇ 嵌入式 I2S 接口(主/从模式),用于 16/24 位编解码器 DAC/ADC(EEPROM 可选)
◇ 嵌入式 SPDIF 输入和输出接口,用于 16/24 位编解码器 DAC/ADC(EEPROM 可选)
◇ 嵌入式 12MHz 晶振
◇ 支持 USB 挂起/恢复模式
◇ 内置 USB 收发器
◇ 对于耳机功能,USB 音频功能拓扑有 2 个输入端,2 个输出端,1 个混频器单元,1 个选择器单元和 3 个功能单元(某些单元可以通过 ROM 代码选项使能)
◇ 支持 1 个控制端点,1 个同步输出端点,1 个同步输入端点,一个端点中断(HID 使用 中断输入和控制输出)
◇ 备用零带宽设置,用于在此设备不活动时释放 USB 总线上的播放带宽
◇ 音量增大、音量减小、播放静音、录音静音、下一首曲目、上一首曲目、停止、播放和 暂停的引脚,由用户直接控制
◇ 支持音量增大、音量减小、播放静音、下一首曲目、上一首曲目、停止、播放和暂停
◇ 用于外部 MCU 控制的两线串行总线 (I2C Bus)
◇ 可以通过 MCU 访问整个 EEPROM 空间
◇ 用于主机同步控制的 USB HID
◇ 外部串行 EEPROM (24C02~24C16) 接口,用于特定的 USB VID、PID、产品字符串、序 列号、默认增益、默认 EQ 设置、播放/录制使能等选项
◇ 通过 HID 或特定要求的 EEPROM 写入功能,以方便批量生产
◇ 预加载的 VID、PID 和产品字符串以及具有设置优先级的设计选项: 1.外部 EEPROM 2. 嵌入式 ROM
◇ 特定的请求和新的虚拟寄存器(10XX_10XX;其中 XX 可以通过寄存器写入和回读来设 置以进行验证),以用于软件保护
◇ 可通过 HID 读/写 GPIO 和 MCU 接口寄存器
◇ 真正的无接地电容耳机放大器解决方案
◇ 支持 TRRS 音频插孔的 CTIA/OMTP 自动切换(EEPROM 可选)
◇ 支持 AD Key 检测(EEPROM 可选)
◇ 支持 RGB LED(EEPROM 可选)
◇ 支持 HID 键盘(EEPROM 可选)
◇ 支持 IIC 初始化外部编解码器(EEPROM 可选)
◇ 内嵌 1.2V POR
◇ 内嵌 3.3V 至 5V(具有 250mA 能力)和 1.2V 至 3.3V 稳压器, 可用于单个外部 5V 电 源
◇ 内嵌旋转编码器接口,可用于音量控制(EEPROM 可选)
◇ 1.2V 数字内核和音频 PLL 功能、3.3V USB PLL 功能和 ADC/DAC 功能
◇ 兼容 Win XP、Win 7、Win 10、Mac OS、Linux OS 和 Android OS,无需安装驱动
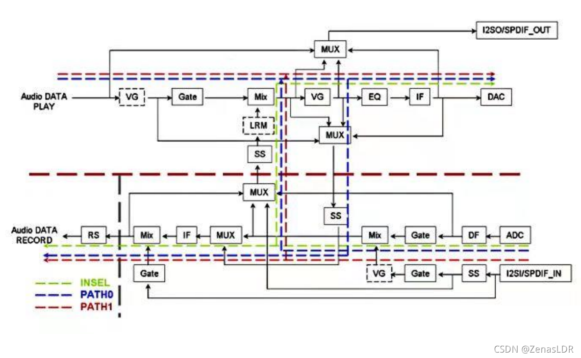
框图和说明

线路输入和 USB 模式默认设置

自动增益控制 (AGC)
LDR9201 具有 AGC(自动增益控制)功能。 可用于自动调整 ADC 的输出范围,使 ADC 输 出保持在一个稳定的范围内。AGC 控制示意图如下图,增益可调范围为-23dB~+40dB,每 一步调节 1dB。

AGC 参数可在 EEPROM 中设置。控制特点包括时间稳定性、误差范围、主动方式、保持时间、 调速等,这些参数需要单独设置。其操作示意图如下: AGC 调谐的目标是在两条蓝线内。 如前图所示,信号在蓝线区间以下时,AGC 会将信号放大到 蓝线区间。 相反,当信号超过蓝色区间, AGC 则将信号下降到蓝色范围。

多功能键(4 键)
LDR9201 最多支持 4 个多功能键。通过 EEPROM 设置,每个多功能键最多可以有四种不同 的按键操作方式。四种不同的按键操作为“一次短按”、“连续两次短按”、“一次短按一次 长按”和“一次长按”。每个多功能键针对不同的功能需求,对应不同的控制方式,从而达到 精简按键数量的目的。设置图如下:


LED 闪光灯 LDR9201 具有立体声音频波形梯度指示功能。通过 EEPROM 设置,最多可提供 6 个指示信号 (L/R 之差,每个通道共用 3 个指示信号)。指示信号可接 LED 做音频输出梯度指示。当音频 信号为零时,可将 LED 设置为呼吸灯以增加产品多样性。
功能图如下:

设置音频输出指示灯时,可根据需要的输出范围进行调整; 每个指示灯信号可以有 16 级 的建议音频设置值。
五段均衡器
LDR9201 在播放路径上内置了 5 Band EQ 功能,供用户进行音效调整。 五段均衡器的频 率分别固定在 60Hz、300Hz、1.2KHz、3.6KHz 和 12KHz。 每个频段的增益可设置为+12dB~- ∞dB,如下:

用户可根据需要调节多种音效; 调整后的结果将存储在 EEPROM 中,可以使用单个按钮以循环 方式改变不同的音效,同时还提供单个 LED 用于指示 ON / OFF 音效。 默认情况下,LDR9201 内置了一个低音炮声音设置,因此在没有外部 EEPROM 的情况下,仍然有一个 EQ 声音转换供 用户使用。 预设低音(SUBWOOFER)声音设置如下:

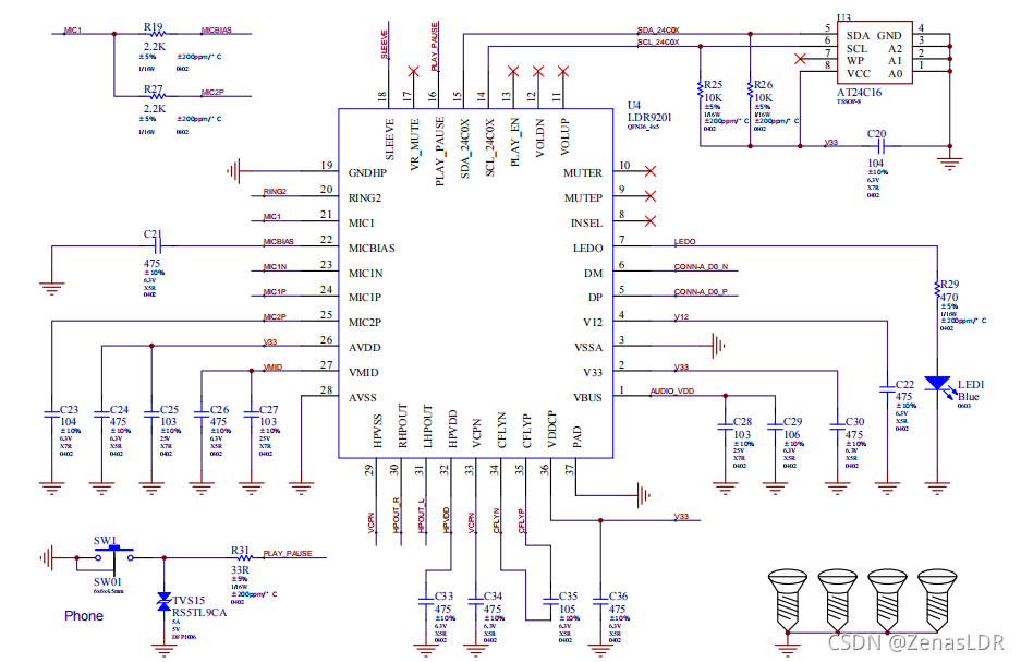
参考方案部分电路图如下:

最后
以上就是生动橘子最近收集整理的关于Type-c快充加音频芯片深度解析(LDR6023C)的全部内容,更多相关Type-c快充加音频芯片深度解析(LDR6023C)内容请搜索靠谱客的其他文章。
发表评论 取消回复