文章目录
- 前言
- 74HC138、74HC573芯片简介
- 原理图讲解
- 总结
- 应用案例
前言
蓝桥杯单片机CT107D开发板电路设计中,将74HC138译码器、74HC02芯片和74HC573锁存器三者联合使用,只用P2.5、P2.6、P2.7和P0口共11个引脚来控制LED灯、继电器、蜂鸣器、数码管等共36个引脚的输出,达到了IO口扩展的功能。
74HC138、74HC573芯片简介
74HC138译码器的原理和使用:https://blog.csdn.net/diksan/article/details/122706792
74HC573锁存器的原理和使用:https://blog.csdn.net/diksan/article/details/122706783
原理图讲解
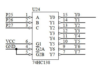
以配置LED灯为例

原理图中,74HC138芯片的三个输出使能端G1为接VCC为高电平,G2AG2B接GND为低电平,译码器处于工作状态
通过改变P25 P26 P27三个引脚的电平即可以选择右边8个输出引脚其中一个为低电平。
若P27 = 1;P26 = 0;P24 = 0;即100 = 4,此时输出引脚Y4为低电平。

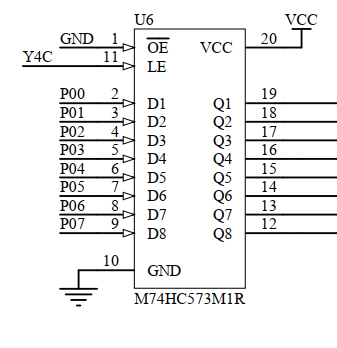
74HC02芯片为4组2输入或非门。
或非门真值表为:

图中WR引脚为单片机P36引脚,该引脚为低电平有效,上电复位后初始电平为低电平
则当Y4 Y5 Y6 Y7为低电平时,Y4C Y5C Y6C Y7C为高电平
当Y4 Y5 Y6 Y7为高电平时,Y4C Y5C Y6C Y7C为低电平

OE接GND为低电平,输出允许;
LE接Y4C引脚,当Y4C = 1时,锁存器Q输出端将随D输入端电平变化而变化;
当Y4C = 0时,锁存器Q输出端不随D输入端电平变化而变化,仍然保持上一时刻的电平。
总结
通过改变P27 P26 P25三个引脚的电平可以改变P0口所实际控制的外设

应用案例
蜂鸣器、继电器的控制和使用:https://blog.csdn.net/diksan/article/details/122377992
最后
以上就是大胆火最近收集整理的关于蓝桥杯单片机电路图讲解-74HC138-74HC02和74HC573的联合使用讲解前言74HC138、74HC573芯片简介原理图讲解总结应用案例的全部内容,更多相关蓝桥杯单片机电路图讲解-74HC138-74HC02和74HC573内容请搜索靠谱客的其他文章。
发表评论 取消回复