课程目标
- 掌握触发器的特征表达式
- 掌握触发器的激励表
- 掌握触发器的状态表
- 掌握时序线路分析方法
课程内容
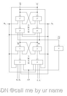
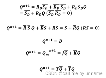
D触发器


逻辑符号可以不画RD,SD,CP

上方:特征表达式;左下:激励表;右下:状态图
状态图:大圈里放置Q(为1或者0),线——输入激励(就像图中D)
当一开始Q为0时,线(标注D=0)激励Q=0这个状态到Q=0(所以是自环);线(标注D=1)激励Q=0到Q=1状态
JK触发器


特征表达式

状态图和激励表

逻辑符号(同样,RD,SD,CP可以不写)
老师说过JK触发器是考得最多的,其他的触发器考得概率小
T触发器

相当于JK触发器将J和K作了积运算
常见触发器特征函数

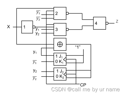
同步时序线路的分析方法

列输出函数及控制函数的表达式

建立次态表达式

这里直接套用JK触发器的公式(题目中的线路图中给出了J和K的输入),为y1和y2建立次态表达式(因为输出表达式Z只含有y1和y2,所以就做这2个的次态表达式)
状态转移表、状态表

状态转移表(类似真值表:输入为X,y2,y1,所以真值表有8行)
状态表(S表示y2,y1组合,往往会用a,b,c,d来表示)
字母旁边的是Z
状态图

根据状态表画出状态图的
波形图

变成1时,波形图往上凸起
根据状态转移表画出状态图
好好看看波形图,次态函数变成现态是在CP=0时触发,而X电平的到来是在CP=1时2023.2.25复习
分析逻辑功能

时序线路的分析步骤
- 列控制函数、输出函数表达式
- 列次态表达式及画状态转移表
- 画状态表及状态图
- 画波形图(有的题会要求,有的不会)
- 分析逻辑功能
时序逻辑电路分类
时序逻辑电路分为:
Mealy 型电路和 Moore 型电路
Mealy 型电路:输出与外部输入有关
Moore 型电路:输出与外部输入无关
Moore型电路
上面那个例子就是Moore型电路
课堂练习

控制函数

无明显输出函数
次态表达式、状态转移表

因为题目中给出的输入控制 D 意为 D触发器,所以就用D触发器的次态表达式来写
由次态表达式可知:输入D和状态y是相同的,所以在状态转移表中有4个输入。接着,画状态转移表和画真值表一样
状态图

关于如何画:
- 看状态转移表:第一行y1到y4全为0对应着a0,此时y1n+1到y4n+1为0 0 0 1对应着a1
- 再看a1对应的行(在这里为第2行),重复上面的操作得到yn+1对应着a3
- a3对应着第4行,以此类推……
作业


最后
以上就是有魅力期待最近收集整理的关于数字逻辑·时序线路分析【触发器和时序线路分析方法】课程目标课程内容课堂练习作业的全部内容,更多相关数字逻辑·时序线路分析【触发器和时序线路分析方法】课程目标课程内容课堂练习作业内容请搜索靠谱客的其他文章。
发表评论 取消回复