1、接收模块RXB90简介
两个数据输出是联通的。

2、自定义一个编码解码规则
组数据为“0x88 0x03 0xBD 0xB6”。

3、发射模块
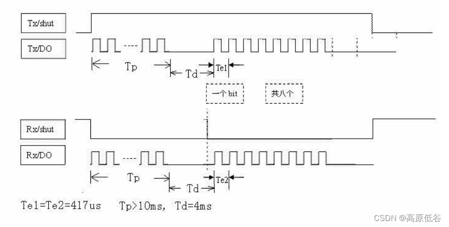
如何使用示波器得到捕捉一个周期的图像?
通过date引脚连接示波器CH1,以及示波器探针的接地端接芯片的GND,分别一直长按1~4,得到每个按键的波形。


将方波缩短后如下图:

可以发现4个按钮发射出的信号分别为
11000010010100110010 00010
11000010010100110010 00100
11000010010100110010 01000
11000010010100110010 10000
4、编程

1)鉴别出同步码Td:
低电平触发定时器a计时,上升沿触发中断去停止计时器a计时得到时段t1,如果t1大于4ms,即马上要进入数据区。
2)提取数据:
如何实现:
- 因为每个码元都是先维持一段高电平,再维持一段低电平,所以上升沿是相邻码元的分割线,下降沿是某码元的电平转换分割线。
- 若以上升沿作为事件,中断应该去处理:1)结束对上一个码元的低电平长度的计时,得到t1;2)对下一个码元的高电平长度开始计时。
- 若以下降沿作为事件,中断应该去处理:1)结束对当前码元的高电平长度结束计时,得到t2;2)对当前码元的低电平长度开始计时。
- 我们可以得到存放多个t1值的数组,和存放多个t2值的数组。最后处理两个数组,得到数据。
- 实际应用中,重复发射 4 次上述码组,有一次正确即认为数据传输成功。
3)代码示例
最后
以上就是单纯台灯最近收集整理的关于433MHz无线通信--模块RXB901、接收模块RXB90简介2、自定义一个编码解码规则3、发射模块4、编程的全部内容,更多相关433MHz无线通信--模块RXB901、接收模块RXB90简介2、自定义一个编码解码规则3、发射模块4、编程内容请搜索靠谱客的其他文章。
本图文内容来源于网友提供,作为学习参考使用,或来自网络收集整理,版权属于原作者所有。
发表评论 取消回复