数字电路基础知识——时序逻辑电路之存储器
RAM:Random Access Memory,随机存取存储器,手机、计算机的运行内存。
ROM:Read Only Memory,只读存储器,手机、计算机等设备的存储器,但现在的所说的ROM不只是Read Only了,也是可以写入的。
DDR:Double Data Synchronous Dynamic Random Access Memory,双倍速率同步动态随机存储器,双倍速率传输的SDRAM,在时钟的上升沿和下降沿都可以进行数据传输。我们电脑的内存条都是DDR芯片。
一、静态随机存储器(SRAM)
- SRAM(Static Random-Access Memory)
静态随机存取存储器,只要供电数据就会保持,但断电数据就会消失,也被称为Volatile Memory. - SRAM的结构框图:

SRAM电路通常由存储矩阵、地址译码器和读写控制电路三部分组成。
存储矩阵由许多存储单元排列而成,每个存储单元能存储1位二值数据,在译码电路的控制下,即可以写入1或0,又可以将存储数据读出。
-
SRAM的静态存储单元

T1-T4组成SR锁存器。T1、T2和T3、T4分别接成了反相器。 -
SDRAM:Synchronous Dynamic Random Access Memory,同步动态随机存储器,同步写入和读出数据的DRAM。
二、动态随机存储器(DRAM)
- DRAM:Dynamic Random Access Memory,动态随机存储器
主要原理是利用MOS管栅极电容存储电荷的多少来代表一个bit是0还是1,由于晶体管的漏电电流现象,电容会放电,所以要周期性的给电容充电,叫刷新。SRAM不需要刷新也会保持数据丢失,但是两者断电后数据都会消失,称为Volatile Memory - 单管动态MOS存储单元

三、 总结 SRAM 和 DRAM 的区别
-
结构上:
SRAM存储一位需要花6个晶体管,而DRAM只需要花一个电容和一个晶体管。
cache追求的是速度所以选择SRAM,而内存则追求容量所以选择能够在相同空间中存放更多内容并且造价相对低廉的DRAM。 -
集成功耗:
SRAM集成度较低,功耗较大。
DRAM集成度较高,功耗也较低。 -
工作特点:
SRAM中的存储单元相当于一个锁存器,只有0,1两个稳态;SRAM的特点是工作速度快,只要电源不撤除,写入SRAM的信息就不会消失,不需要刷新电路,同时在读出时不破坏原来存放的信息,一经写入可多次读出。
DRAM则是利用电容存储电荷来保存0和1两种状态,因此需要定时对其进行刷新,否则随着时间的推移,电容其中存储的电荷将逐渐消失 -
用处:
采用 DRAM的计算机必须配置动态刷新电路,防止信息丢失。DRAM一般用作计算机中的主存储器。
SRAM一般用来作为计算机中的容量较小的高速缓冲存储器(Cache)
总结如下表:
| - | SRAM | DRAM |
|---|---|---|
| 存储信息 | 触发器 | 电容 |
| 破坏性读出 | 非 | 是 |
| 需要刷新 | 不要 | 需要 |
| 送行列地址 | 同时送 | 分两次送 |
| 运行速度 | 快 | 慢 |
| 集成度 | 低 | 高 |
| 发热量 | 大 | 小 |
| 存储成本 | 高 | 低 |
四、只读存储器(ROM)
- ROM:Read Only Memory,只读存储器,手机、计算机等设备的存储器,但现在的所说的ROM不只是Read Only了,也是可以写入的。
- ROM的特点:
所存储的数据是固定的、预先写好的。正常工作时,这些数据只能读出,不能随时写入或修改。 - ROM的结构和工作原理

ROM的电路结构包含存储矩阵、地址译码器和输出缓冲器三个部分组成。
地址译码器:
将输入的地址代码译成相应的控制信号,利用这个控制信号从存储矩阵中将指定的单元选出,并把其中的数据送到输出缓冲器。
输出缓冲器:
一是提高存储器的带负载能力,二是实现对输出状态的三态控制,以便与系统的总线连接。

存储矩阵的每个交叉点是一个存储单元,存储单元有器件存入为1,无器件存入为0
存储器的容量:字数 X 位数
- ROM的分类
1)掩膜ROM (Mask ROM)
出场时已经固定,不能更改,适合大量生产,简单,便宜,非易失性。即上图所示的结构。
2)可编程ROM(PROM)
基本结构和掩膜ROM一样,但是存储单元不同。

熔丝由易熔合金制成
出场时,每个结点上,偶读在编程时,将熔丝熔断,是一次性编程,只能一次写,不能改。
3)用电信号擦除的可编程只读存储器——闪存(Flash Memory)
EEPROM:Electrically Erasable Programmable Read Only Memory,电可擦除可编程只读存储器
FLASH: Flash Memory,闪存,非易失性固态存储,如制成内存卡或U盘。

五、存储器容量的扩展
- 位扩展方式
适用于每片RAM,ROM字数够用而位数不够用
接法:将各片的地址线、读写线、片选线并联即可
例:用八片1024 X 1位 扩展为 1024 X 8位 的RAM

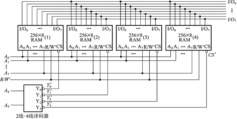
- 字扩展方式
适用于每片RAM,ROM位数够用而字数不够用
例:用四片256 X 8 位 扩展为 1024 X 8位 RAM

最后
以上就是害羞长颈鹿最近收集整理的关于数字电路基础知识——时序逻辑电路之存储器(SRAM、DRAM、ROM)的全部内容,更多相关数字电路基础知识——时序逻辑电路之存储器(SRAM、DRAM、ROM)内容请搜索靠谱客的其他文章。
发表评论 取消回复