1.触发方式分类
- 触发器使用指南
- (1) 按逻辑功能:
- 1.RS触发器/SR触发器
- 2.D触发器
- 3.JK触发器
- 4.T触发器
- (2) 按触发方式:
- 1.电平触发器
- 2.边沿触发器
- 3.主从/脉冲触发器
- (3) 按电路结构:
- 1.基本RS触发器
- 2.CLK钟控触发器
- (4) 按存储数据:
- 1.静态触发器(无内容)
- 2.动态触发器(无内容)
触发器使用指南
触发器有不同类别,也有不同组合
按照下面解释的各种类别来看,
逻辑功能其实也就是看输入端是怎么输入,逻辑功能是针对特性方程而言。
触发方式是针对CLK而言,可能在CLK高电平时会触发工作,或者在低电平,或者是在低->高的边沿(上升沿),高->低的边沿(下降沿)触发。
按照实际出现的触发器,有边沿触发的D触发器,边沿触发的JK触发器,脉冲触发的JK触发器,等等。
(1) 按逻辑功能:
1.RS触发器/SR触发器
1).RS触发器与SR触发器的区别在优先级
RS触发器当置位和复位信号均为1时,SR变化后,输出为0,复位优先,
SR触发器当置位和复位信号均为1时,SR变化后,输出为1,置位优先。
谁在前,谁优先
2).SR的方程和功能表
方程:Q*=S’|R’Q
| S | R | Q | Q* |
|---|---|---|---|
| 0 | 0 | 0 | 0 |
| 0 | 0 | 1 | 1 |
| 0 | 1 | 0 | 0 |
| 0 | 1 | 1 | 0 |
| 1 | 0 | 0 | 1 |
| 1 | 0 | 1 | 1 |
| 1 | 1 | 0 | 0* |
| 1 | 1 | 1 | 0* |
3).功能描述
①S=0 R=0,Q保持不变
②S=1 R=0,Q*=1
③S=0 R=1,Q*=0
④S=1 R=1,Q*=1,当S与R归零时状态不定,若R先归零,则与②情况相同,置位优先,称为RS;若S先归零,则与③情况相同,复位优先,称为SR.
2.D触发器
1).D的方程和功能表
方程:Q*=D
| D | Q | Q* |
|---|---|---|
| 0 | 0 | 0 |
| 0 | 1 | 0 |
| 1 | 0 | 1 |
| 1 | 1 | 1 |
2).功能描述
①D=0,Q*=0
②D=1,Q*=1
3.JK触发器
1).JK的方程和功能表
方程:Q*=JQ’+K’Q
| J | K | Q | Q* |
|---|---|---|---|
| 0 | 0 | 0 | 0 |
| 0 | 0 | 1 | 1 |
| 0 | 1 | 0 | 0 |
| 0 | 1 | 1 | 0 |
| 1 | 0 | 0 | 1 |
| 1 | 0 | 1 | 1 |
| 1 | 1 | 0 | 1 |
| 1 | 1 | 1 | 0 |
2).功能描述
①J=0 K=0,Q保持不变
②J=1 K=0,Q*=1
③J=0 K=1,Q*=0
④J=1 K=1,Q反转
4.T触发器
1).T的方程和功能表
方程:Q*=TQ’+T’Q
| T | Q | Q* |
|---|---|---|
| 0 | 1 | 1 |
| 0 | 0 | 0 |
| 1 | 0 | 1 |
| 1 | 1 | 0 |
2).功能描述
①T=0,Q保持不变
②T=1,Q反转
(2) 按触发方式:
1.电平触发器
时钟电平触发的触发器。以时钟脉冲作为控制信号CLK来控制,在触发状态下根据信号的变化而变化。这个信号可以是SR/RS,T,D,JK等逻辑功能对应的方式输入。
图例为电平触发的SR触发器

若另加SD,RD,即异步控制端,异步控制端不受CLK控制,并且在CLK触发的情况下,若异步控制端有信号输入,则忽略CLK的作用。

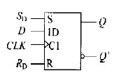
2.边沿触发器
接收时钟信号CLK 的某一约定跳变(上升沿或下降沿)来到时的输入数据。在CLK=1及CLK=0 期间以及未跳变时,触发器不接收数据。
图例为带有异步控制端的边沿触发D触发器,
其上升沿触发,仅在上升沿时Q根据D的信号来变化,其他时间均不变化
若CLK端有一个小圈,则为下降沿触发的触发器。

3.主从/脉冲触发器
为克服电平触发的SR触发器在一个CLK周期内输出状态可能发生多次反转的缺点,用时钟脉冲触发的触发器。简成脉冲触发的触发器,其结构为主从结构。
若CLK高有效,则下降沿触发;若CLK低有效,则上升沿触发。
图例为脉冲触发的SR触发器(高有效,下降沿)

图例为脉冲触发的JK触发器(高有效,下降沿)

(3) 按电路结构:
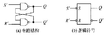
1.基本RS触发器
与非门构成的SR锁存器


其功能见 RS触发器/SR触发器
2.CLK钟控触发器
同电平触发。
(4) 按存储数据:
1.静态触发器(无内容)
2.动态触发器(无内容)
最后
以上就是真实太阳最近收集整理的关于锁存器/触发器的总结的全部内容,更多相关锁存器/触发器内容请搜索靠谱客的其他文章。
发表评论 取消回复