我是靠谱客的博主 沉默龙猫,这篇文章主要介绍XDC约束技巧之时钟篇,现在分享给大家,希望可以做个参考。

Xilinx©的新一代设计套件 Vivado 中引入了全新的约束文件 XDC,在很多规则和技巧上都跟上一代产品 ISE 中支持的 UCF 大不相同,给使用者带来许多额外挑战。Xilinx 工具专家告诉你,其实用好 XDC 很容易,只需掌握几点核心技巧,并且时刻牢记:XDC 的语法其实就是 Tcl 语言。

XDC 的优势
XDC 是 Xilinx Design Constraints 的简写,但其基础语法来源于业界统一的约束规范SDC(最早由 Synopsys 公司提出,故名 Synopsys Design Constraints)。所以 SDC、XDC跟 Vivado Tcl 的关系如下图所示。

XDC 在本质上就是 Tcl 语言,但其仅支持基本的 Tcl 语法如变量、列表和运算符等等,对其它复杂的循环以及文件 I/O 等语法可以通过在 Vivado 中 source 一个 Tcl 文件的方式来补充。(对 Tcl 话题感兴趣的读者可以参考作者的另一篇文章《Tcl 在 Vivado 中的应用》)XDC 与 UCF 的最主要区别有两点:

1.XDC 可以像 UCF 一样作为一个整体文件被工具读入,也可以在实现过程中被当作一个个单独的命令直接执行。这就决定了 XDC 也具有 Tcl 命令的特点,即后面输入的约束在有冲突的情况下会覆盖之前输入的约束(时序例外的优先级会在下节详述)。另外,不同于 UCF 是全部读入再处理的方式,在 XDC 中,约束是读一条执行一条,所以先后顺序很重要,例如要设置 IO 约束之前,相对应的 clock 一定要先创建好。

2.UCF 是完全以 FPGA 的视角看问题,所以缺省认为所有的时钟之间除非预先声明是同步的,否则就视作异步而不做跨时钟域时序分析;XDC 则恰恰相反,ASIC 世界的血缘背景决定了在其中,所有的时钟缺省视作全同步,在没有时序例外的情况下,工具会主动分析每一条跨时钟域的路径。

XDC的基本语法
XDC的基本语法可以分为时钟约束、I/O约束以及时序例外约束三大类。根据Xilinx的UltraFast设计方法学中Baseline部分的建议(UG949中有详细介绍),对一个设计进行约束的先后顺序也可以依照这三类约束依次进行。本文对可以在帮助文档中查到的基本XDC语法不做详细解释,会将重点放在使用方法和技巧上。

时钟约束
时钟约束必须最早创建,对7系列FPGA来说,端口进来的主时钟以及GT的输出RXCLK/TXCLK都必须由用户使用create_clock自主创建。而衍生时钟则分为以下两类:
MMCM/PLL/BUFR的输出时钟都可以由Vivado自动推导,无需用户创建。若用户仅希望改变衍生钟的名字,其余频率等都由工具自动推导,则只需写明三个option,其余不写即可:create_generated_clock [-name arg] [-source args] [-master_clock arg] 工具不能自动推导出衍生钟的情况,包括使用寄存器和组合逻辑搭建的分频器等,必须由用户使用create_generated_clock来创建。

I/O约束
在设计的初级阶段,可以不加I/O约束,让工具专注于满足FPGA内部的时序要求。当时序要求基本满足后,再加上I/O约束跑实现。XDC中的I/O约束有以下几点需要注意:

不加任何I/O约束的端口时序要求被视作无穷大。

XDC中的set_input_delay / set_output_delay对应于UCF中OFFSET IN / OFFSET OUT,但视角相反。OFFSET IN / OFFSET OUT是从FPGA内部延时的角度来约束端口时序,set_input_delay / set_output_delay则是从系统角度来约束。

典型的I/O时序,包括系统同步、源同步、SDR和DDR等等,在Vivado图形界面的XDC templates中都有示例。2014.1版后还有一个Timing Constraints Wizard可供使用。

时序例外约束
时序例外约束包括set_max_delay/set_min_delay,set_multicycle_path,set_false_path等,这类约束除了要满足XDC的先后顺序优先级外,还受到自身优先级的限制。一个总的原则就是针对同一条路径,对约束目标描述越具体的优先级越高。不同的时序例外约束以及同一约束中不同条件的优先级如下所示:

举例来说,依次执行如下两条XDC,尽管第二条最后执行,但工具仍然认定第一条约束设定的15为clk1到clk2之间路径的max delay值。

再比如,对图示路径依次进行如下四条时序例外约束,优胜者将是第二条。但如果再加入最后一条约束,false path的优先级最高,会取代之前所有的时序例外约束。

高效的时钟约束
约束最终是为了设计服务,所以要用好XDC就需要深入理解电路结构和设计需求。接下来我们就以常见FPGA设计中的时钟结构来举例,详细阐述XDC的约束技巧。

时序的零起点
用create_clock定义的主时钟的起点即时序的“零起点”,在这之前的上游路径延时都被工具自动忽略。所以主时钟创建在哪个“点”很重要,以下图所示结构来举例,分别于FPGA输入端口和BUFG输出端口创建一个主时钟,在时序报告中体现出的路径延时完全不同,很明显sysclk_bad的报告中缺少了之前一段的延时,时序报告不可信。


时钟定义的先后顺序
时钟的定义也遵从XDC/Tcl的一般优先级,即:在同一个点上,由用户定义的时钟会覆盖工具自动推导的时钟,且后定义的时钟会覆盖先定义的时钟。若要二者并存,必须使用 -add 选项。


上述例子中BUFG的输出端由用户自定义了一个衍生钟clkbufg,这个衍生钟便会覆盖此处原有的sysclk。此外,图示BUFR工作在bypass模式,其输出不会自动创建衍生钟,但在BUFR的输出端定义一个衍生钟clkbufr,并使用-add 和 -master_clock 选项后,这一点上会存在sysclk和clkbufg两个重叠的时钟。如下的Tcl命令验证了我们的推论。

不同于UCF约束,在XDC中,所有的时钟都会被缺省认为是相关的,也就是说,网表中所有存在的时序路径都会被Vivado分析。这也意味着FPGA设计人员必须通过约束告诉工具,哪些路径是无需分析的,哪些时钟域之间是异步的。

如上图所示,两个主时钟ssclkin和sysclk由不同的端口进入FPGA,再经由不同的时钟网络传递,要将它们设成异步时钟,可以使用如下约束:

其中,-include_generated_clocks 表示所有衍生钟自动跟其主时钟一组,从而与其它组的时钟之间为异步关系。不加这个选项则仅仅将时钟关系的约束应用在主时钟层面。

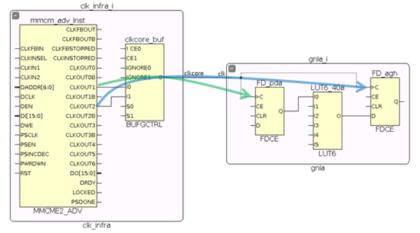
重叠(单点多个)时钟
重叠时钟是指多个时钟共享完全相同的时钟传输网络,例如两个时钟经过一个MUX选择后输出的时钟,在有多种运行模式的设计中很常见。

如下图所示,clk125和clk250是clkcore_buf的两个输入时钟,不约束时钟关系的情况下,Vivado会对图示路径做跨时钟域(重叠时钟之间)分析。这样的时序报告即便没有违例,也是不可信的,因为clk125和clk250不可能同时驱动这条路径上的时序元件。这么做也会增加运行时间,并影响最终的实现效果。


如果clk125和clk250除了通过clkcore_buf后一模一样的扇出外没有驱动其它时序元件,我们要做的仅仅是补齐时钟关系的约束。

在很多情况下,除了共同的扇出,其中一个时钟或两个都还驱动其它的时序元件,此时建议的做法是在clkcore_buf的输出端上创建两个重叠的衍生钟,并将其时钟关系约束为-physically_exclusive 表示不可能同时通过。这样做可以最大化约束覆盖率,也是ISE和UCF中无法做到的。

其它高级约束
时钟的约束是XDC的基础,熟练掌握时钟约束,也是XDC约束技巧的基础。其它高级约束技巧,包括复杂的CDC(Clock Domain Crossing)约束和接口时序(SDR、DDR、系统同步接口和源同步接口)约束等方面还有很多值得注意的地方。

最后

以上就是沉默龙猫最近收集整理的关于XDC约束技巧之时钟篇的全部内容,更多相关XDC约束技巧之时钟篇内容请搜索靠谱客的其他文章。

本图文内容来源于网友提供,作为学习参考使用,或来自网络收集整理,版权属于原作者所有。
点赞(161)

评论列表共有 0 条评论

立即
投稿
返回
顶部