一、设计的内容
设计一个彩灯循环控制器
二、课程设计的要求与数据
设计要求包括:
1.10路彩灯分别用10个发光二极管L0、L1…..L9模拟,发光二极管L0、L1…..L9从左到右排列。
2.要求显示四种不同的花型:1)10路彩灯按照L0、L1…..L9的顺序轮流点亮。
2) 10路彩灯按照先偶数次灯、后奇数次灯的顺序轮流点亮。
3) 10路彩灯按照L0L1亮、L1 L2亮、L2L3亮、…L8L9的顺序轮流点亮。
4) 10路彩灯按照L0L9、L1L8、L2L7、L3L6、L4L5的顺序依次点亮,然后按相反的顺序依次灭掉。
以上四种花型一直反复循环显示。
3. 该控制电路设有启动和复位按钮。按下复位按钮,全部灯灭。按下启动按钮,彩灯开始按上述规律变化。
1 摘 要
本次课程设计用74192N计数器,7442N器,74153N多路选择器类实现彩灯循环的控制。彩灯循环的实质是由计数器产生一系列计数,经过译码器,多路选择器后变成一系列有规则的序列,最后由指示灯和数码管分别显示出来。其中有规则的序列包括自然数列,奇数数列,偶数数列还有另外两个移动循环序列。
关键字:计数器,译码器,多路选择器,数码管
2 总体设计方案
由题目要求可以知道,这个彩灯循环的设计是复杂的,应该选用多功能的中规模集成电路去完成设计。分析了电路的原理.拟定了以下的电路方案实现循环的功能。
本电路由控制信号产生单元电路,译码单元电路,选择电路,显示电路等电路组成,电路的结构框图如图下所示。控制信号产生单元电路部分产生计数信号,译码电路用来对产生的计数信号译码,来选择单元电路用来对编码后的信号进行选择,显示电路用来显示彩灯的循环花型。


3 模块及其原理介绍
3.1 设计原理
10路彩灯按照1)L0、L1…..L9的顺序轮流点亮 2)先偶数次灯、后奇数次灯的顺序轮流点亮 3)L0L1亮、L1 L2亮、L2L3亮、…L8L9的顺序轮流点亮 4)L0L9、L1L8、L2L7、L3L6、L4L5的顺序依次点亮,然后按相反的顺序依次灭掉.这四种花型都是按照规律的数数,并且每个花型都延续10秒,而四种花型延续40秒,所以10秒是个小周期,40秒是一个大周期,所以用两个计时器去控制信号,一个是模10计时器,一个是模4计时器,由于74192N是一个4位的10进制加/减计数器,异步清零,所以我们直接运用两片74192N芯片,如下图所示。下面的那个芯片是模10计数器,其进位脉冲连接到上面的74192N的输入端,所以上面的一个脉冲为10秒。然后上面的芯片输出出现0100时应该将其置零.因为要求有要给复位按钮,
下图,当J1打开时,即为复位设置。

3.2 译码单元电路
3.2.1 自然序列显示电路
由于该设计的计数器本身就是十进制计数器,所以直接输入自然序列。这个序列如下图所示
但是为了实现四种花型的顺序输出,该自然序列显示电路还要经过7442N译码器和74153N多路选择器。7442N译码器的作用在于将4位BCD码的10组代码翻译成10个与十进制数字符号对应的输出信号。图中输入端ABCD为8421码,输出端00-09分别代表十进制数字0-9。74153N是个双四路选择器,其功能是选择输出四个编码单元电路的值。本电路用了5个74153N来选择输出四个花型。74153N的器件上用1CO,2CO等来连接对应的输出端。当74153器件的A和B为00时,顺序输出序列的值。


3.2.2 奇数序列和偶数序列
本次设计所使用的计数器单元本身就是一个十进制计数器,因此可以用错位的方法来实现奇数序列和偶数序列的输出,所使用的元件仍然是744N译码器和74153N多路选择器。7442N译码器所使用方法跟自然序列所使用的方法一样,只是74153N选择器的接法不同。这个序列的状态如下图。
本设计中用了5个74153N选择器来实现10个状态的输出。其中从上到下分别代表10状态输出组。如下图所示。为了实现技术序列和偶数序列的输出,就让7442N的第一输出量00连接到第一个74153N的1C1, 7442N的第二输出量01连接到第二个74153N的1C1,7442N的第三输出量02连接到第三个74153N的1C1,7442N的第四输出量03连接到第四个74153N的1C1,7442N的第五输出量04连接到第五个74153N的1C1,7442N的第六输出量05连接到第一个74153N的2C1,7442N的第七输出量06连接到第二个74153N的2C1,7442N的第八输出量07连接到第三个74153N的2C1,7442N的第九输出量08连接到第四个74153N的2C1,7442N的第十输出量09连接到第五个74153N的2C1,这样经过74153N后是输出的序列式是0,2,4,6,8,1,3,5,7,9

3.2.3 花型3单元电路
本次设计所使用的计数器是十进制计数器,为了按照顺序01,12,23,34,45,56,67,89,90,01的输出,可以相关联法的方法,使某一个变量关联下一个变量,从而达到两个变量的同时输出。这里使用10个与门。这个状态如下图所示:

10个与门连接方法如下所示:

3.2.4 花型4设计
本次设计使用的计数器是十进制计数器,为了实现09,18,27,36,45顺序依次点亮,再反向依次灭掉的序列,要使用与门来实现。这个序列的状态如下:
由表中可以看出0000和1000,0001和0111,0010和0110,0011和0101的输出是一样的,因此可以关联在一起,使用与门。如下图所示。图中00和08用一个与门连在一起,01和07.02和06,03和05都分别用一个与门连在一起。为了实现一次输入后,下一次输出时上一次的灯还亮,必须用与门把本次的输出连接到上一次的输出。

3.3指示灯显示电路
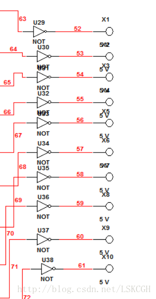
这个指示灯显示电路就由10个输出管分别对应于5个74153N的10个输出变量。如下图所示。

4 实验结果与数据分析
实验结果
10路彩灯能在编号依次所要求的四种花型下点亮,10个数码依次显示相应的数字,且不断循环,每个数字显示时间相等,并且该控制电路有启动,复位按钮。按下复位按钮,自动清零。按下启动按钮,彩灯按上述规律变化。
5 结论与问题讨论
在设计电路遇到了很多问题,例如:怎样能使10路彩灯能够自动循环点亮,怎样使彩灯显示奇数偶数数字,怎样切换到花型,怎样把模块电路连接起来等等问题。
最后
以上就是默默冷风最近收集整理的关于设计一个彩灯循环控制器的全部内容,更多相关设计一个彩灯循环控制器内容请搜索靠谱客的其他文章。
发表评论 取消回复