74LS20 双4输入与非门

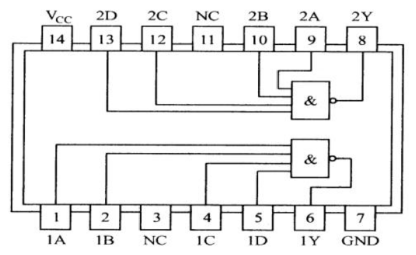
74LS21 双4输入与门

74LS22 双4输入与非门(OC)
内部结构与74LS20相同,![]()
74LS23 双可扩展输入或非门
74LS24 2输入4与非门(施密特)
74LS25 4输入双或非门(可选通)
74LS26 2输入4高电平接口与非缓冲器(0C,15V)
74LS27 3输入三或非门

74LS28 2输入四或非缓冲器
74LS30 8输入与非门
20-30有较多芯片未能搜集内部结构图,后期如找到会及时补充,欢迎各位批评指正。
最后
以上就是魁梧纸鹤最近收集整理的关于74LS系列芯片简记——20-30的全部内容,更多相关74LS系列芯片简记——20-30内容请搜索靠谱客的其他文章。
本图文内容来源于网友提供,作为学习参考使用,或来自网络收集整理,版权属于原作者所有。
发表评论 取消回复