我是靠谱客的博主 醉熏柠檬,这篇文章主要介绍电动车关键部件选型及参数验证实例 simulink/stateflow搭建 根据设定的车辆目标参数 最高车速 最大爬坡度及稳定车速 加速时间 续航等,现在分享给大家,希望可以做个参考。
电动车关键部件选型及参数验证实例
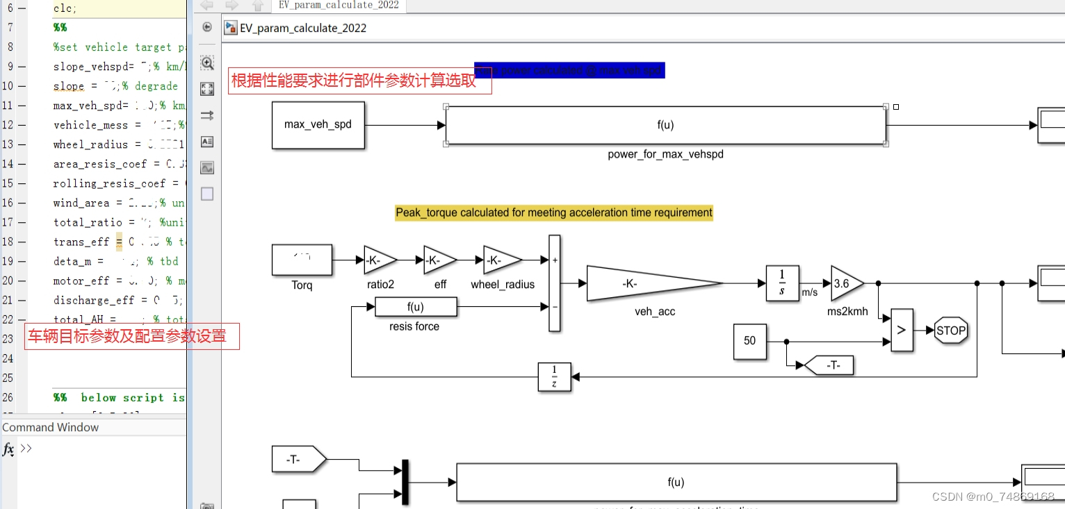
simulink/stateflow搭建 根据设定的车辆目标参数 最高车速 最大爬坡度及稳定车速 加速时间 续航等,计算选择车辆关键部件参数(电机 电池);同时
建立整车模型(驾驶员 VCU控制 车辆模型),通过仿真模型验证部件选型是否满足车辆的动力性和经济性指标
附说明文档

ID:42120673445272728
Lucky_Joey

最后
以上就是醉熏柠檬最近收集整理的关于电动车关键部件选型及参数验证实例 simulink/stateflow搭建 根据设定的车辆目标参数 最高车速 最大爬坡度及稳定车速 加速时间 续航等的全部内容,更多相关电动车关键部件选型及参数验证实例内容请搜索靠谱客的其他文章。
本图文内容来源于网友提供,作为学习参考使用,或来自网络收集整理,版权属于原作者所有。
发表评论 取消回复