独立按键的基本操作
- 独立按键与矩阵键盘的原理图
- 例题
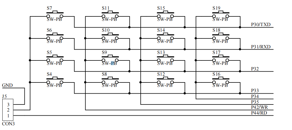
独立按键与矩阵键盘的原理图
使用独立按键时,J5跳帽应该接到2~3引脚

基本原理
一般情况下,独立按键有两个引脚,其中一个通过上拉电阻接到单片机的I/O端口,另外一端接地。也就是说,平时按键没有动作的时候,输出的是高电平,如果有按下动作发生,则输出的是低电平。
按键抖动
我们一般只要扫描跟按键引脚相连的I/O端口,如果发现有低电平产生,则判定该按键处于按下状态。有些时候,电路或者外围有电磁干扰,也会使单片机的I/O端口产生低电平,这种干扰信号会让单片机误认为是按键动作。所以,在扫描按键的时候应该做去抖动处理,把干扰信号过滤掉,从而获得准确的按键状态信号。
每次我们按下的时候,会输出低电平,但有可能是外界干扰;需要延时一段时间,之后再判断是不是低电平,如果是,则是按下;如果不是,则是外干扰。
例题

代码如下:
#include "reg52.h"
sbit HC138_A = P2^5;
sbit HC138_B = P2^6;
sbit HC138_C = P2^7;
sbit S7 = P3^0;
sbit S6 = P3^1;
sbit S5 = P3^2;
sbit S4 = P3^3;
unsigned char code SMG_NoDot[18] =
{0xc0,0xf9,0xa4,0xb0,0x99,0x92,0x82,0xf8,
0x80,0x90,0x88,0x80,0xc6,0xc0,0x86,0x8e,
0xbf,0x7f};
void Delay(unsigned char t)
{
while(t--);
}
void Init74HC138(unsigned char n)
{
switch(n)
{
case 4:
HC138_A = 0;
HC138_B = 0;
HC138_C = 1;
break;
case 5:
HC138_A = 1;
HC138_B = 0;
HC138_C = 1;
break;
case 6:
HC138_A = 0;
HC138_B = 1;
HC138_C = 1;
break;
case 7:
HC138_A = 1;
HC138_B = 1;
HC138_C = 1;
break;
case 8:
HC138_A = 0;
HC138_B = 0;
HC138_C = 0;
break;
}
}
void ShowKeyNum(unsigned char value)//根据按键在数码管上显示数字
{
Init74HC138(6);
P0 = 0x01;
Init74HC138(7);
P0 = value;
}
void ScanKeys()
{
if(S7 == 0)//判断是低电平还是高电平
{
Delay(200);// 通过延时函数 按键抖动
if(S7 == 0)
{
while(S7 == 0);
ShowKeyNum(SMG_NoDot[1]);
}
}
if(S6 == 0)
{
Delay(200);
if(S6 == 0)
{
while(S6 == 0);
ShowKeyNum(SMG_NoDot[2]);
}
}
if(S5 == 0)
{
Delay(200);
if(S5 == 0)
{
while(S5 == 0);
ShowKeyNum(SMG_NoDot[3]);
}
}
if(S4 == 0)
{
Delay(200);
if(S4 == 0)
{
while(S4 == 0);
ShowKeyNum(SMG_NoDot[4]);
}
}
}
void main()
{
while(1)
{
ScanKeys();
}
}
代码看不懂的,可以看我之前的博客。博客链接
最后
以上就是怕黑黑裤最近收集整理的关于51单片机入门——独立按键的基本操作独立按键与矩阵键盘的原理图例题的全部内容,更多相关51单片机入门——独立按键内容请搜索靠谱客的其他文章。
本图文内容来源于网友提供,作为学习参考使用,或来自网络收集整理,版权属于原作者所有。
发表评论 取消回复