文章目录
工程结构:

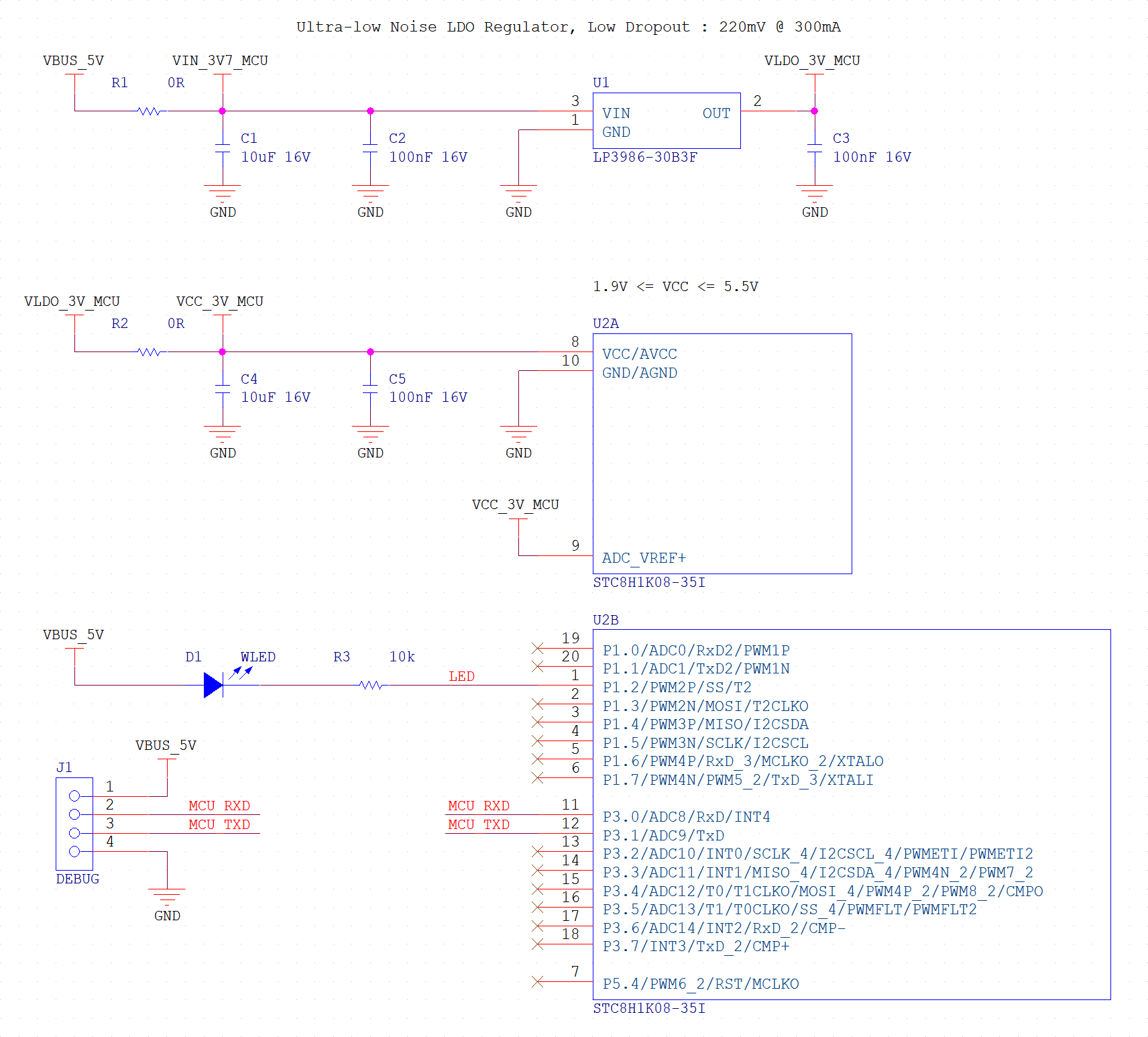
原理图:

main.c
/**
* Interrupt Registers Definition
*/
sfr IE = 0xA8; /* Interrupt Enable Register */
sfr IE2 = 0xAF;
/**
* Interrupt Registers Bits Definition
*/
/** IE */
#define GLOBAL_IE_EA (0x80)
#define UART_IE_ES (0x10)
/** IE2 */
#define T2_IE2_ET2 (0x04)
/**
* Port Switch Register
*/
sfr P_SW2 = 0xBA;
/**
* Port Switch Register Bits Definition
*/
#define P_SW2_EAXFR (0x80)
/**
* UART Registers Definition
*/
sfr SCON = 0x98; /* Serial Control */
sfr SBUF = 0x99; /* Serial Buffer */
/**
* UART Registers Bits Definition
*/
/** SCON */
#define UART_SCON_SM0 (0x80) /* UART - Serial Mode Selection Bit 0 */
#define UART_SCON_SM1 (0x40) /* UART - Serial Mode Selection Bit 1 */
#define UART_SCON_REN (0x10) /* UART - Receiver Enable */
#define UART_SCON_TI (0x02) /* UART - Transmission Completion Interrupt */
#define UART_SCON_RI (0x01) /* UART - Reception Completion Interrupt */
sbit TI = SCON^1;
sbit RI = SCON^0;
/**
* Timer 2 Registers Definition
*/
#define TM2PS (*(unsigned char volatile xdata *)0xFEA2) /* Timer 2 Prescaler Register */
sfr T2L = 0xD7; /* Timer 2 Counter Low Register */
sfr T2H = 0xD6; /* Timer 2 Counter High Register */
/**
* Auxiliary Register Definition
*/
sfr AUXR = 0x8E; /* Auxiliary Register */
/**
* Auxiliary Register Bits Definition
*/
/** AUXR */
#define T2_AUXR_T2R (0x10) /* Timer 1 - Run Control */
#define T2_AUXR_T2_CT (0x08) /* Timer 1 - Counter or Timer Selection */
#define T2_AUXR_T2x12 (0x04) /* Timer 1 - Clock Divider Control */
#define UART_AUXR_S1ST2 (0x01) /* UART - Serial 1 (UART) Select Timer 2 Acts As Baud Rate Generator */
/**
* Port 1 Registers Definition
*/
sfr P1 = 0x90; /* Port 1 Register */
sfr P1M1 = 0x91; /* Port 1 Configuration Register 1 */
sfr P1M0 = 0x92; /* Port 1 Configuration Register 0 */
/**
* Port 1 Registers Bits Definition
*/
#define P12M1 (0x04) /* P1.2 - Mode Selection Bit 1 */
#define P12M0 (0x04) /* P1.2 - Mode Selection Bit 0 */
#define enableInterrupts() IE |= GLOBAL_IE_EA
#define disableInterrupts() IE &= ~GLOBAL_IE_EA
#define INTERNAL_RC_OSCILLATOR_FREQUENCY_11059200HZ (11059200UL) /* 11.0592 MHz */
#define INTERNAL_RC_OSCILLATOR_FREQUENCY_12000000HZ (12000000UL) /* 12.0000 MHz */
#define SYSTEM_CLOCK (INTERNAL_RC_OSCILLATOR_FREQUENCY_11059200HZ)
#define UART_BAUD_RATE_9600 (9600L)
sbit LED = P1^2; /* LED Control Bit. 0: On, 1: Off */
/**
* UART - Mode 1
*/
void main() {
unsigned int prescaler = 0;
unsigned int divider = 0;
unsigned int timer = 0;
/** UART Initialization */
SCON &= ~UART_SCON_SM0;
SCON |= UART_SCON_SM1;
SCON |= UART_SCON_REN; // 允许 UART 接收
SCON &= ~UART_SCON_TI; // 清除发送中断标志
SCON &= ~UART_SCON_RI; // 清除接收中断标志
AUXR |= UART_AUXR_S1ST2; // 选择 T2 作为波特率发生器
IE |= UART_IE_ES; // 允许 UART1 请求中断
/** Timer 2 Initialization */
AUXR &= ~T2_AUXR_T2_CT; // T2 作为定时器(对内部系统时钟进行计数)
P_SW2 |= P_SW2_EAXFR; // 允许访问位于扩展 RAM 区的特殊功能寄存器
TM2PS = 1; // 对 T2 的时钟进行 1 分频。分频公式:系统时钟 ÷ (TM2PS + 1)
prescaler = TM2PS + 1;
P_SW2 &= ~P_SW2_EAXFR; // 禁止访问位于扩展 RAM 区的特殊功能寄存器
AUXR |= T2_AUXR_T2x12; // 不分频 T2 的时钟
// AUXR &= ~T2_AUXR_T2x12; // 对 T2 的时钟进行 12 分频
divider = ((AUXR & T2_AUXR_T2x12) == T2_AUXR_T2x12) ? 1 : 12;
timer = (65536 - SYSTEM_CLOCK / 4 / divider / prescaler / UART_BAUD_RATE_9600);
T2H = timer >> 8;
T2L = timer;
IE2 &= T2_IE2_ET2; // 禁止 T2 请求中断
AUXR |= T2_AUXR_T2R; // 允许 T2 开始计数
/** IO Initialization */
P1M1 &= ~P12M1;
P1M0 |= P12M0;
enableInterrupts();
while(1) {}
}
void uartInterruptService() interrupt 4 {
unsigned char buffer;
if(RI) {
RI = 0;
buffer = SBUF; // Get data
SBUF = buffer; // Set data
LED = !LED;
}
if(TI) {
TI = 0;
}
}
STC-ISP 的下载选项:

最后
以上就是丰富电脑最近收集整理的关于STC8H1K08 TSSOP20 - UART1 - Mode 1 - 使用 T2 做为波特率发生器的全部内容,更多相关STC8H1K08内容请搜索靠谱客的其他文章。
本图文内容来源于网友提供,作为学习参考使用,或来自网络收集整理,版权属于原作者所有。
发表评论 取消回复