(http://www.bitconn.com/form_1/注册后,购买XBee模块,送USB评估底板)
Digi无线模块产品中,900MHz频段的长距离XBee模块的主打产品是XBee PRO SX和XBee PRO XTC。这两者在硬件上一样,只是固件不同。 XTend是Digi第一代900MHz长距离无线通信数传模块产品。它的封装比XBee大,作为早期的明星产品到现在已经有十多年的历史,最近一次硬件改版中已经被小型化的XTC取代,为了兼容早期的XTend产品设计,仍有相同的封装的新型号XTend Verb模块可以供货。 XTC是兼容Digi XTend模块的小型化产品。它除了是XBee的封装型状以外,其它功能和XTend完全一样。 SX产品分为低功率版本(20mw)的XBee SX和高功率版本(1W)的XBee PRO SX模块。相比XTC/XTend,SX的固件增加了更多的功能特性,一般比较适合国内用的是XBee PRO SX,也是目前国内主推的900MHz无线模块。
DIGI SX模块的产品资料和使用说明,请从官方的产品支持页面下载:http://www.digi.com/products/xbee-rf-solutions/modules/xbee-sx#productsupport
DIGI XTC/XTend vb模块的Digi官方产品支持页: http://www.digi.com/products/xbee-rf-solutions/modules/xtend-module#productsupport
XBee SX的特性和固件配置
常用型号:
| 参数 | 值 | ||
|---|---|---|---|
| 供电电压 | 2.6V~3.6V (典型3.3V) | ||
| 网络拓扑(软件可选) | 对等,星状, 自组网 | ||
| 尺寸 | 3.38 x 2.21 x 0.32 cm | ||
| 封装类型 | 邮票孔贴片 | ||
| 天线接口 | u.FL 或 RF焊盘 | ||
| 工作温度 | -40°C ~ +85°C | ||
| 发射功率 | 30dBm (最高) | ||
| RF 特性 | 频段:902~928 MHz | 带宽:10kbps/110kbps/250kbps | FHSS跳频 |
| I/O口 | 数字13个(5个可配置成输出) | ADC:4路10位 | PWM:2路输出 |
SX模块可以通过TO参数配置模块的工作模式,默认为C0是Digimesh模式,您可以设置成0x40,使它工作在点对多点的网络拓扑中,以提高带宽。
性能规格
下表提供了设备的性能规格。包含标准(XBee-Pro)和低功耗(XBee)版本的设备。
| 参数 |
| XBee XTC | XBee-PRO XTC | |
| 频率范围 |
| ISM 902 to 928 MHz US/Canada | ||
|
|
|
| 915 to 928 MHz Australia | |
|
|
|
| ||
| RF data rate (软件可选) | 10 kb/s to 125 kb/s US/Canada | |||
|
|
|
| 10 kb/s to 105 kb/s Australia | |
|
|
|
|
| |
| 发射功率 (软件可选) | Up to 13 dBm | Up to 30 dBm1 | ||
| 信道 |
| 10 hopping sequences share 50 frequencies | ||
|
|
|
|
|
|
| 可用的信道频率 |
| 50 |
| |
|
|
|
|
| |
| UART 速率 (软件可选) | 1200 - 230400 b/s |
| ||
|
|
|
|
|
|
| 接收灵敏度 |
| 10 kb/s | -110 dBm |
|
|
|
|
|
|
|
|
|
| 125 kb/s | -100 dBm |
|
|
|
|
|
|
|
| 室外 (视距) |
| 10 kb/s | Up to 5 miles | up to 40 miles2 |
|
|
| 125 kb/s | Up to 1.5 miles | Up to 7 miles |
|
|
|
|
|
|
电源要求
下表提供了设备的电源要求。
| 规格 |
| XBee XTC | XBee-PRO XTC |
| 电源电压 |
| 2.4 to 3.6 VDC, 3.3 V typical | 2.6 to 3.6 VDC, 3.3 V typical |
|
|
|
|
|
| 接收电流 | VCC = 3.3 V | 40 mA | 40 mA |
|
|
|
|
|
| 发送电流 | VCC = 3.3 V | 55 mA @ 13 dBm | 900 mA @ 30 dBm |
|
|
|
|
|
|
| VCC = 3.3 V | 45 mA @ 10 dBm | 640 mA @ 27 dBm |
|
|
|
|
|
|
| VCC = 3.3 V | 35 mA @ 0 dBm | 350 mA @ 21.5 dBm |
|
|
|
|
|
| Pin睡眠电流 |
| 2.5 µA | 2.5 µA |
|
|
|
|
|
1.30 dBm的典型在3.3 V及以上。在较低的电压下,最大发射功率将会降低。见PL(TX功率电平)可调功率水平的更多信息。
2.带着偶极天线的基于9英里距离测试的估计值。
硬件
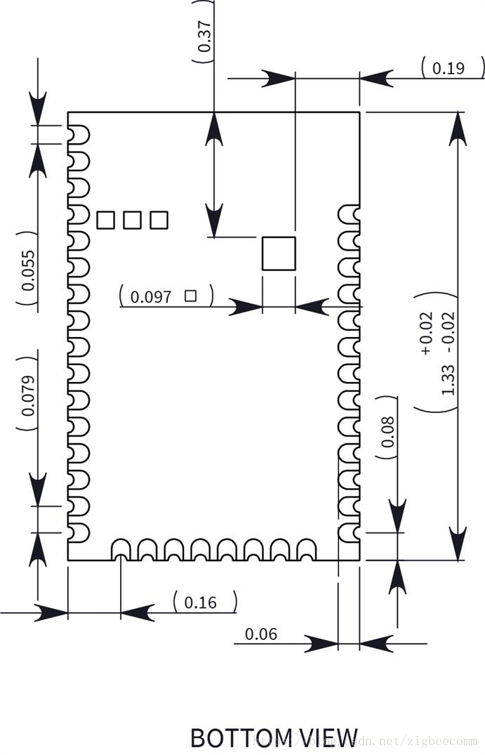
XBee SX和其它XBee模块稍有不同,在XBee SX的底部有一个额外的地线引脚,用于散热,它需要同底板的地焊在一起以方便散热。详情请参考产品手册中PCB design and manufacturing章节。 XBee SX的封装尺寸图如下(单位为英寸):
SX模块引脚定义
| 机械图纸
下面的图片展示了XTC机械图纸。XTC与其他表面贴装(SMT)XBee模块具有相同的封装尺寸,除了背面 上有一个额外的铜垫。
管脚定义 下表描述了PIN脚定义。低电平有效信号在信号名上有一条水平线。.
注意 如果你集成XTC到一个主板,所有不用的接口保持悬空.
推荐引脚连接
如果只是收发数据,仅需要连接的引脚VCC,GND,DOUT、DIN。如果要支持串口固件更新,你应该接VCC,GND,DOUT、DIN、RTS,和SLEEP(DTR)。
| |||||||||||||||||||||||||||||||||||||||||||||||||||||||||||||||||||||||||||||||||||||||||||||||||||||||||||||||||||||||||||||||||||||||||||||||||||||||||||||||||||||||||||||||||||||||||||||||||||||||||||||||||||||||||||||||||||||||||||||||||||||||||||||||||||||||||||||||||||||||||||||||||||||||||||||||||||||||||||||||||||||||||||||||||||||||||||||||||||||||||||||||||||||||||||||||||||||||||||||||||||||||||||||||||||||||||||||||||||||||||||||||||||||||||||||||||||||||||||||||||||||||||||||||||||||||||||||||||||||||||||||||||||||||||||||||||||||||||||||||||||||||||||||||||||||||||||||||||||||||||||||||||||||||||||||||||||||||||||||||||||||||||||||||||||||||||||||||||||||||||||||||||||||||||||||||||||||||||||||||||||||||||||||||||||||||||||||||||||||||||||||||||||||||||||||||||||||||||||||||||||||||||||||||||||||||||||||||||||||||||||||||||||||||||||||||||||||||||||||||||||||||||||||||||||||||||||||||||||||||||||||||||||||||||||||||||||||||||||||||||||||||||||||||||||||||||||||||||||||||
|---|---|---|---|---|---|---|---|---|---|---|---|---|---|---|---|---|---|---|---|---|---|---|---|---|---|---|---|---|---|---|---|---|---|---|---|---|---|---|---|---|---|---|---|---|---|---|---|---|---|---|---|---|---|---|---|---|---|---|---|---|---|---|---|---|---|---|---|---|---|---|---|---|---|---|---|---|---|---|---|---|---|---|---|---|---|---|---|---|---|---|---|---|---|---|---|---|---|---|---|---|---|---|---|---|---|---|---|---|---|---|---|---|---|---|---|---|---|---|---|---|---|---|---|---|---|---|---|---|---|---|---|---|---|---|---|---|---|---|---|---|---|---|---|---|---|---|---|---|---|---|---|---|---|---|---|---|---|---|---|---|---|---|---|---|---|---|---|---|---|---|---|---|---|---|---|---|---|---|---|---|---|---|---|---|---|---|---|---|---|---|---|---|---|---|---|---|---|---|---|---|---|---|---|---|---|---|---|---|---|---|---|---|---|---|---|---|---|---|---|---|---|---|---|---|---|---|---|---|---|---|---|---|---|---|---|---|---|---|---|---|---|---|---|---|---|---|---|---|---|---|---|---|---|---|---|---|---|---|---|---|---|---|---|---|---|---|---|---|---|---|---|---|---|---|---|---|---|---|---|---|---|---|---|---|---|---|---|---|---|---|---|---|---|---|---|---|---|---|---|---|---|---|---|---|---|---|---|---|---|---|---|---|---|---|---|---|---|---|---|---|---|---|---|---|---|---|---|---|---|---|---|---|---|---|---|---|---|---|---|---|---|---|---|---|---|---|---|---|---|---|---|---|---|---|---|---|---|---|---|---|---|---|---|---|---|---|---|---|---|---|---|---|---|---|---|---|---|---|---|---|---|---|---|---|---|---|---|---|---|---|---|---|---|---|---|---|---|---|---|---|---|---|---|---|---|---|---|---|---|---|---|---|---|---|---|---|---|---|---|---|---|---|---|---|---|---|---|---|---|---|---|---|---|---|---|---|---|---|---|---|---|---|---|---|---|---|---|---|---|---|---|---|---|---|---|---|---|---|---|---|---|---|---|---|---|---|---|---|---|---|---|---|---|---|---|---|---|---|---|---|---|---|---|---|---|---|---|---|---|---|---|---|---|---|---|---|---|---|---|---|---|---|---|---|---|---|---|---|---|---|---|---|---|---|---|---|---|---|---|---|---|---|---|---|---|---|---|---|---|---|---|---|---|---|---|---|---|---|---|---|---|---|---|---|---|---|---|---|---|---|---|---|---|---|---|---|---|---|---|---|---|---|---|---|---|---|---|---|---|---|---|---|---|---|---|---|---|---|---|---|---|---|---|---|---|---|---|---|---|---|---|---|---|---|---|---|---|---|---|---|---|---|---|---|---|---|---|---|---|---|---|---|---|---|---|---|---|---|---|---|---|---|---|---|---|---|---|---|---|---|---|---|---|---|---|---|---|---|---|---|---|---|---|---|---|---|---|---|---|---|---|---|---|---|---|---|---|---|---|---|---|---|---|---|---|---|---|---|---|---|---|---|---|---|---|---|---|---|---|---|---|---|---|---|---|---|---|---|---|---|---|---|---|---|---|---|---|---|---|---|---|---|---|---|---|---|---|---|---|---|---|---|---|---|---|---|---|---|---|---|---|---|---|---|---|---|---|---|---|---|---|---|---|---|---|---|---|---|---|---|---|---|---|---|---|---|---|---|---|---|---|---|---|---|---|---|---|---|---|---|---|---|---|---|---|---|---|---|---|---|---|---|---|---|---|---|---|---|---|---|---|---|---|---|---|---|---|---|---|---|---|---|---|---|---|---|---|---|---|---|---|---|---|---|---|---|---|---|---|---|---|---|---|---|---|---|---|---|---|---|---|---|---|---|---|---|---|---|---|---|---|---|---|---|---|---|---|---|---|---|---|---|---|---|---|---|---|---|---|---|---|---|---|---|---|---|---|---|---|---|---|---|---|---|---|---|---|---|---|---|---|---|---|---|---|---|---|---|---|---|---|---|---|---|---|---|---|---|---|---|---|---|---|---|---|---|---|---|---|---|---|---|---|---|---|---|---|---|---|---|---|---|---|---|---|---|---|---|---|---|---|---|---|---|---|---|---|---|---|---|---|---|---|---|---|---|---|---|---|---|---|---|---|---|---|---|---|---|---|---|---|---|---|---|---|---|---|---|---|---|---|---|---|---|---|---|---|---|---|---|---|---|---|---|---|---|---|---|---|---|---|---|---|---|---|---|---|---|---|---|---|---|---|---|---|---|---|---|---|
引脚连接建议:
必须连接的引脚有VCC,GND,DOUT,DIN。如果要支持通过UART更新模块固件,还应该连接RTS和DTR引脚。
建议连接:RESET引脚连单片机IO口以便异常时复位模块。有条件可以把commissioning Button也接上按键,特别是开发阶段,以方便调试。如需LED指示灯,请不要用管脚直接驱动,而应该用管子隔开。
最后
以上就是忧伤柠檬最近收集整理的关于XBee SX/XTC/XTend 长距离通信产品的全部内容,更多相关XBee内容请搜索靠谱客的其他文章。


发表评论 取消回复