电能传输器件选型汇总
高频整流二极管
1.快恢复二极管
2.肖特基二极管
微科半导体公司(Micro Commercial Components)公司出品 MBR5200 肖特基二极管,其反向电压为 200 V,正向平均电流是 5 A,反向恢复时间 10 ns绕制电感
绕制电感的磁芯使用 MICROMETALS 公司的 T300-2D 铁粉磁芯,磁环外直径 77mm,厚度 26mm,内直径 50mm,体积重量较大,但在保 证绕制电感值能够满足需求的情况下同时降低了高频下的电感损耗
电容
电容选择村田的多层陶瓷电容,C0G 材 质,温度特性好,高频时寄生电感非常低,在 100MHz 内频率变化时电容值变化 微小,并且具有非常低的等效串联电阻,即具有高 Q 值,因此在高频条件下也能 保证电容器的正常工作
全桥
驱动芯片驱动芯片型号为 ADuM3223
开关管ROHM 公司的 SCH2080KE 开关管
开关管是 SiC 材质, 导通电阻小(80 mΩ), 耐压、耐流值大(1200 V,35 A), 开通关断时间最大 70 ns(逆变器输出电压频率为 530 kHz)谐振补偿电感
采用利兹线在 PVC 管上绕制而成
补偿电容
采用 EACO 的高频薄膜电容
整流
SiC 二极管,型号 RURG3060
负载
Maynuo 公司的 M9716B 直流电子 负载代替
Buck 电路
使用两个 SiC 材质的 MOSFET 开关管,型号 IRF 2807,其 中电感 Ld 的值为 25 uH,Cd 为 47 uF 的电解电容,系统正常工作时,Buck 电路 前端直流电源稳定为 30 V
极板偏移和负载变化下电场耦合电能传输 系统鲁棒控制技术研究
电容
整流中小负载、低功率、高频的情况,因此选择型号为== SCS206AJ == 的肖特基二极管
谐振电容为高频EACO 薄膜电容
其 材料为聚丙烯薄膜电容,额定工作电压为 700V-3000V,电容值偏差不超过 5%, 可以运行于较高的频率之下,而为了提高电容两端能承受电压并获得理想的电容 值大小,采用多个电容串并联的形式获得理想电容值
逆变电路
- MOSFET 型号
ROHM 公司的 SCH2080KE 开关管,该开关管具有较高的开通和关断速度,最大耐压值 可达 1200V
2. 控制驱动信号
使用的是德州仪器公司的 DSP 数字信号处理器, 型号为 TMS320F28335
3 . 驱动芯片
1.驱动芯片的输出电压需要能稳定的驱动 MOS 管的开通与关断,其输出电压的 大小一般在 10-15V;2.驱动芯片输出的驱动电流需要足够大;3 全桥逆变器上桥 臂 MOS 管的驱动回路能够相对地浮动
实验选用了 ADI 公司的ADuM3223 隔离式 的半桥驱动芯片,该芯片采用了 iCoupler 技术,可以独立且隔离的提供高低电平 的输出,输出的电流峰值为 4A,输出最大的隔离电压为 3000V,芯片的主工作 频率可以到达 1MHz
整流
整流二极管型号为 SIC Diode RURG3060,该整流桥的最大耐压值为 600V,最大电流值为 30A
(变结构 LC-CLCL 拓扑恒压恒流型电场耦合 电能传输系统)
- 开关管
选用 CREE 公司生产的 C2M0160120D型碳化硅(SiC)MOSFET 管。其工作 的最大耐压为 1200V,最大耐流为 19A- 整流
MSC020SDA120B-ND 型 SiC 二极管,该二极管的最大耐压为 1200V,额定整流电流为 43A- 补偿电感
采用 0.05mm×1500 规格的高频利兹线
高频利兹线在 PVC 管上绕制而成,且实际测 试表明,在相同的电感匝数下,PVC 管直径与其电感值大小成正相关。在综合考虑实 验室的实验环境后,最终选取直径 Φ=110mm 的 PVC 管来绕制感值较大的补偿电感 L1 和 L2,选取直径 Φ=75mm 的 PVC 管来绕制感值较小的补偿电感 Lf1 和 Lf2- 补偿电容
由于 Cf1 和 Cf2 均为 nF 级别,所以考虑采用容值为 1nF 的薄膜电容来进行搭建,本课题最终选用KEMET 公 司生产的高频薄膜电容
利 用 12 个 220pF 的高频 KEMET 薄膜电容串联组成一组,12 组电容并联组成电容 Cex1, 其耐压值为 8400V;利用 8 个 220pF 的高频 KEMET 薄膜电容串联组成一组,10 组电 容并联组成电容 Cex2,其耐压值为 5600V
(基于电场耦合的多负载 无线电能传输系统拓扑研究)
耦合机构由四块尺寸相同的印制在 PCB 板上 的 200mm×200mm 金属铜箔组成。发射和接收极板之间的间距为 1.3mm
- 全桥逆变器的 MOSFET 管采用意法半导体公司的 STP20NM30
- 电容均为 CDE 公司所产的银云母电容
- 电感磁芯为MICROMETALS 的高频磁芯
- 整流桥由 MUR1520G 超快恢复二极管构成
发射极板与接收极板的间距约为 1mm。
- 全桥逆变 器采用的 MOSFET 的型号为 STP30NF20,
- 整流二极管的型号为 HFA08TB60,
- 谐振电感采用李兹线和铁粉芯绕制而成,
- 谐振电容为镀银云母电容(F)
谐振电容为陶瓷电容 (T)
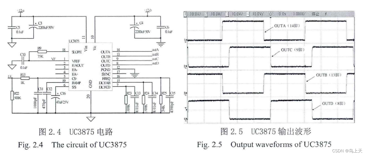
UC3875
移相控制电路
- 全桥逆变器四个开关管使用的是碳化硅
MOSFET(型号为C2M0080120D)- 谐振电容为高频高压特性较好的陶瓷电容
- 谐振电感由利兹线手动绕制而成
4.整流桥二极管为 HFA08TB60PBF,其额定电压电流分别为 600V 和 8A
- 开关管
- 整流
最后
以上就是丰富钢铁侠最近收集整理的关于无线电能传输器件选型汇总电能传输器件选型汇总的全部内容,更多相关无线电能传输器件选型汇总电能传输器件选型汇总内容请搜索靠谱客的其他文章。


2. 控制驱动信号



发表评论 取消回复