疑惑:什么是时序逻辑会延迟组合逻辑一拍?如何理解该现象?当数据变化沿与寄存器时钟上升沿重合时,寄存器输出信号是什么?
结论:
- DFF有输入端(D端)和输出端(Q端),D端连接部分组合电路,其值随组合电路的输入值同步变化;
- 所谓“延迟一拍”是指当时钟上升沿来临时,D端数据会传送到Q端,即Q值相较于D值会延迟一拍;
- 当数据变化沿与寄存器时钟上升沿重合时,可看作D端数据先变化,随即再将值传给Q端,即波形图显示的是寄存器输出(Q)为信号跳变沿后的值,如图4;
- 寄存器之间的延迟,即每经过一个DFF,就会增加一个时钟周期的延迟。
说明:
一、组合逻辑VS时序逻辑
如图1所示,led_out直接与key_in相连,led_out2与key_in之间有DFF,输出信号的波形如图2所示。①②处和④⑤处,led_out2延迟led_out;但在③处key_in的变化与clk上升沿重合时,led_out2与led_out的变化同步。该过程可以看作,DFF的D端随key_in随时同步变化(组合电路),但只有在clk上升沿时才将D端值(led_out)赋给Q端(led_out2),跳变沿重合时可看作因为组合逻辑D端值马上变化,再传输到Q端。
结论:led_out2最多延迟led_out一个时钟周期,在仿真中也可能同步

图1

图2
二、4bit计数器,当计数使能cin与clk上升沿同时到达时的情况
如下代码:
else if(cin == 1'b1)
q <= q + 1'b1;
完整代码见文末
仿真环境:Modelsim SE-64 10.5

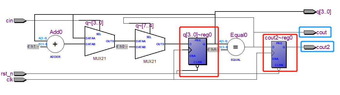
图3 counter_4bit 的电路

图4 仿真波形图
如图4所示,当cin的变化与时钟上升沿重合时(①②处),q在①处“加1”,但在②处“不变”。即重合时,捕获到的是cin“下一时刻”的值;不重合时,捕获到的是当前时刻的值。
三、DFF之间的数据延迟
在上述计数器中再加入一个DFF2,cout2会延迟cout一个时钟周期,如图6.

图5

图6
当DFF2的D端连接的是DFF1的Q端时,因为DFF总是在时钟上升沿传送数据,所以在此刻DFF2的Q值是上一时刻DFF1的Q值,即DFF2的输出值相较于DFF1的输出值,延迟一个时钟周期。
counter_4bit
RTL:
module counter_4bit
#( parameter c_number = 4'd10 )
(
input clk ,
input rst_n ,
input cin ,
output reg cout ,
output reg cout2 ,
output reg[3:0] q
);
always@(posedge clk or negedge rst_n)
begin
if(!rst_n)
q <= 4'd0 ;
else if(q == c_number)
q <= 4'd0 ;
else if(cin == 1'b1)
q <= q+1'b1;
else q <= q;
end
always@(*) begin
if(q == c_number)
cout <= 1'b1;
else cout <= 1'b0;
end
always@(posedge clk or negedge rst_n)
begin
if(!rst_n)
cout2 <= 1'd0 ;
else if(q == c_number)
cout2 <= 1'd1 ;
else cout2 <= 1'b0 ;
end
endmodule
Tb:
`timescale 1ns/1ns
`define clk_period 20
module tb();
reg clk;
reg rst_n;
reg cin;
wire cout;
wire cout2;
wire[3:0] q;
initial begin
clk <= 1'b0;
cin <= 1'b0;
rst_n <= 1'b0;
#30 rst_n <= 1'b1;
repeat(20)begin
#90 cin <= 1'b1;
#20 cin <= 1'b0;
end
#1000
$stop;
end
always #(`clk_period/2) clk <= ~clk;
counter_4bit
#( .c_number (10) )
u1
(
.clk (clk ),
.rst_n (rst_n),
.cin (cin ),
.cout (cout ),
.cout2 (cout2),
.q ( q )
);
endmodule
最后
以上就是有魅力大碗最近收集整理的关于FPGA学习笔记(3)——如何理解时序逻辑会延迟一拍的现象的全部内容,更多相关FPGA学习笔记(3)——如何理解时序逻辑会延迟一拍内容请搜索靠谱客的其他文章。
发表评论 取消回复