If-else子系统
Simulink也可以表达If-else语义,通过一个感应灯控制模型来练习一下if-else的构建方法吧。
首先学习一下if-else相关模块:

if模块,就跟我们写python和其他语言的if一样,作用就是对输入的变量是否符合判断条件。满足条件则在if接口输出一个子系统的触发信号,不满足条件则在else接口输出一个子系统的触发信号。

If action子系统,即上一个模块可以触发的子系统,是触发子系统的一类。作用跟触发子系统一样,满足触发条件就执行和输出子系统内的模型。

该子系统是对应if还是else,全凭连线怎么连:

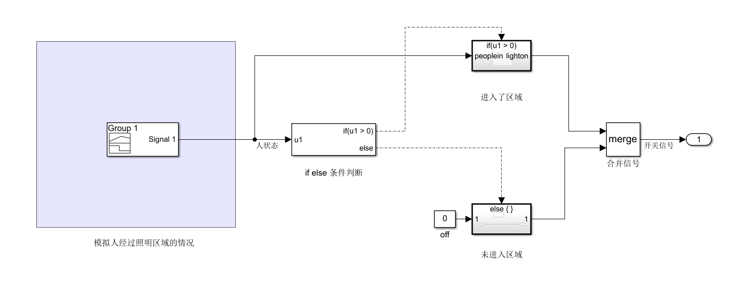
需求分析
这里我来简单设定下这个感应灯的工作逻辑:
1.有人停留时保持常亮
2.有人进入后2s打开
3.没人经过时候不打开
模型编写
按照这样的需求,构建模型如下:

当人进入了区域后就需要做人停留一段时间再开灯的判断了。首先写进入了区域子系统内的逻辑:
首先我们需要一个计时器,这里用对1积分的方法做一个简单的计时器:


然后设置定步长仿真即可实现计时功能:

然后就可以写人进入3s后开灯的逻辑:

将其插入子系统:

然后设置人未进入区域时候的逻辑:
这个部分就没什么好写的了,人没进来就不开灯

仿真测试
编完了我们就来仿真试一下,首先人工生成一个这样的信号,里面包含一段人进入然后离开的信号。使用Signal Builder编写:

运行,仿真结果如下,能够达到3s后开灯,人走关灯的效果:


总结
实现上面需求的方法有很多,这里构建模型的方法为了把各种功能都用上,还是比较复杂的。可以再想想如果不用if-else语句还可以怎么弄(做到后面想想,其实单用stateflow就可以很简单地做出来了。。。)。另外模型均上传至了PriceJunior/MatSimLearn: Recording the learning of matlab and simulink (github.com),各位同学可以一起学习交流~
最后
以上就是爱撒娇帆布鞋最近收集整理的关于Simulink学习——If-else语义的实现(if-slse子系统)If-else子系统需求分析模型编写仿真测试总结的全部内容,更多相关Simulink学习——If-else语义内容请搜索靠谱客的其他文章。
发表评论 取消回复