本文主要简介射频功率放大器电路设计
一、阻抗匹配设计
大多数PA都内部集成了到50欧姆的阻抗匹配设计网络,不过也有一些高功率PA将输出端匹配放在集成芯片外部,以减小芯片面积。
常用的匹配设计有微带线匹配设计、分立器件匹配设计网络等,在典型设计中有可能会将两者共同使用,以改善因为分立器件数值不连续带来的匹配设计不佳的问题。

PA阻抗匹配设计原理和射频中的阻抗匹配相同,都是共轭匹配设计,主要实现功率的最大传输。常用工具可以使用Smith圆图来观察阻抗匹配设计变化,同时用ADS软件来完成仿真。
二、谐波抑制
由本人微博《射频功率放大器 PA 的基本原理和信号分析》得知,谐波一般是由器件的非线性产生的倍频分量。谐波抑制对于CE、FCC认证显得尤为重要。由于谐波的频率较分散,所以一般采用无源滤波器来衰减谐波分量,达到抑制谐波的效果。
不仅PA,其它器件包括调制信号输出端都有可能产生谐波,为了避免PA对谐波进行放大,有必要在PA输入端即添加抑制电路。

上图所示无源滤波器常用于2.4G频段的芯片输出端位置,该滤波器为五阶低通滤波器,截止频率约为3GHz,对2倍频和3倍频的抑制分别达到45.8dB和72.8dB。
使用无源滤波器实现谐波抑制有以下优点:
简单直接,成本有优势
良好的性能并且易于仿真
可以同时实现阻抗匹配设计
三、系统设计优化
系统设计优化主要从电源设计,匹配网络设计出发,实现PA性能的稳定改善。
3.1 电源设计
功率放大器是功耗较大的器件,在快速开关的时候瞬间电流非常大,所以需要在主电源供电路径上加至少10uF的陶瓷电容,同时走线尽量宽,让电容放置走线上,充分利用电容储能效果。PA供电电源一般有开关噪声和来自其它模块的耦合噪声,可以在PA靠近供电管脚处放置一些高频陶瓷电容。有必要也可以加扼流电感或磁珠来抑制电源噪声。

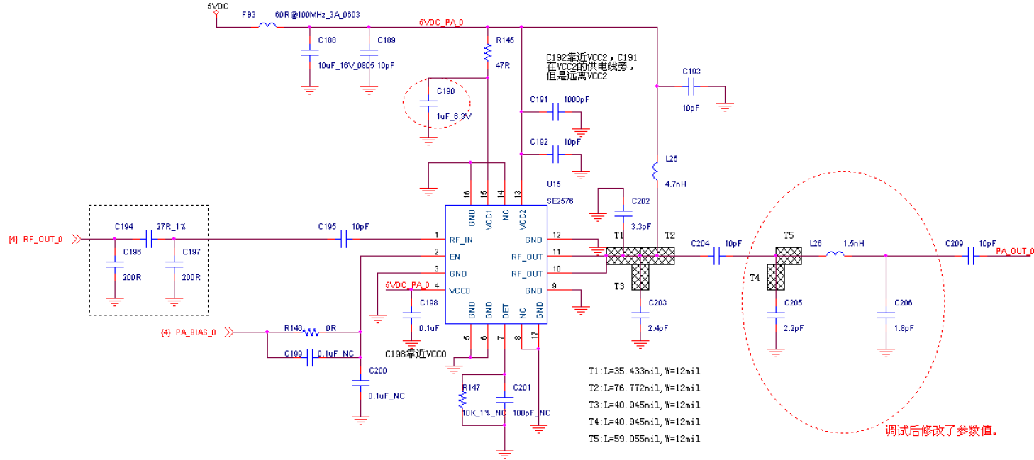
从SE2576L的结构框图可以看出,该PA一共由三级放大组成,每一级都单独供电,前面两级作为小信号电压增大以及开关偏置电路,其工作电流较小,最后一级功率放大,其电流很大。参考DEMO设计,VCC1串联47R电阻,并联一个1uF电容用于滤波;VCC2则添加1000pF和10pF两个高频电容,充分滤除100MHz到6GHz左右频段的干扰信号。功率输出端同时也提供直流供电路径,所以流过L25的电流最大,C188用于在PA打开瞬间提供电流;添加L25、C193作用是防止射频信号泄露,并对电源产生干扰,耦合到放大器的前端,造成自激或振荡。同时在主供电电路上使用一个10uF陶瓷电容和10pF电容组合,减小PA供电网络与其它模块电源之间相互干扰。
3.2 输入输出端传输线
输入输出端传输线首先需要设计阻抗匹配,微带线也用50欧姆特性阻抗线走线。连接分立元件的微带线尽量短,并且分支器件放置在射频信号传输主微带线上,避免由天线效应产生的信号泄露和辐射。
如果有必要,可以在输入端预留谐波抑制低通滤波器和π型衰减网络。

在PA输入端预留π型衰减网络,可以调节PA输入信号的动态线性范围,获得最佳的性能。如SE2576L增益为33dB,而11g线性输出最大为26dBm,则此时的输入信号强度最大为-7dBm。若产品设计输出功率为20-25dBm范围,那么输入信号范围则需要控制在
−
13
到
−
8
d
B
m
-13到-8dBm
−13到−8dBm以内,而从芯片端输出的信号较大,如QCA9**1芯片输出信号大概为
−
9
到
3
d
B
m
-9到3dBm
−9到3dBm具有最好的信号质量,加上
4
到
8
d
B
4到8dB
4到8dB的衰减量可以优化线性范围。
3.3 接地处理
良好的接地不仅可以获得较优的性能,同时还可以改善温度。一般PA芯片的中间是一个大的接地焊盘,这个焊盘是主要的散热途径。至少放置3*3的接地孔,可以有效地将热量传递到其它层铜箔,扩大散热能力。为了减小地过孔的等效电感值,可以增大接地孔的尺寸。
芯片一些接地和NC的引脚可以连接到地,此时可以通过这些引脚将中间的地和顶层周围地连接,进一步减小过孔引入的感性,同时增大散热面积。

芯片有效地接地,同时将顶层地区域设计的更大,减少控制线和电源线的切割,可以让热量通过最快捷的顶层铜箔散开。
3.4 电源布局
在完成器件的摆放后,再着重优化电源部分走线和布局。请参考以下原则:
PA电源布局一般不使用电源岛,而是通过分支走线的方式来减小噪声和干扰;
共用大电容放置在分支点处,并添加一个高频陶瓷电容滤除射频信号噪声;
不同供电级数,电流不同,根据电流大小调整走线宽度;
高频电容靠近芯片关键放置;
若空间足够,可以将电源线走线长度控制在1/4波长,利用其高阻态,抑制噪声;或走一段线,也可以利用走线的等效电感,减小信号泄露。
3.5 输入输出端走线
使用50欧姆特性阻抗微带线;
隔直电容和衰减匹配网络靠近PA放置;
器件摆放紧凑,分支连接器件放置在射频微带线上;
使用微带线作匹配设计的网络,要严格按照要求计算两点线长;
若走线有弯折,可以串接一个器件跨接,或使用弧形线连接,避免直接走90°角;
T型和π型网络要保持电路网络应有的结构,能够很直观看出其形态和功能,实现设计的统一,也是性能的保证。
最后
以上就是心灵美汽车最近收集整理的关于射频功率放大器电路设计的全部内容,更多相关射频功率放大器电路设计内容请搜索靠谱客的其他文章。
发表评论 取消回复