我是靠谱客的博主 如意火龙果,这篇文章主要介绍内部矩阵维度必须一致simulink_如何通过Simulink实现数据滚动刷新,现在分享给大家,希望可以做个参考。

最近有脚友提问,如何在Simulink中实现数据的实时滚动?今天借助这篇文章回答一下。

对于这个问题,用C代码或者m语言实现可能大家都会,就是把数据进行右移和赋值操作。用Simulink基本模块搭建,以前没有接触过的可能会有些困难。所以,本文将介绍如何通过Simulink实现数据滚动。

Simulink建模思路跟C代码实现的方式基本一致,也是主要分为右移、赋值两部分,最终搭建的模块如下图所示。

1b01625ff170725b7d591ba45a0acb82.png

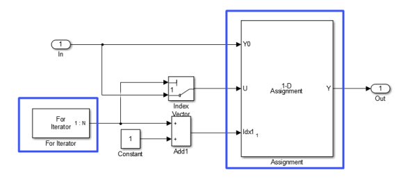
上图中红框中的右移子系统内部需要迭代器和分配器配合使用,如下图所示。

7f30857cd36649e4a961ee0a56aa2c7b.png

迭代器用于在一个步长内连续输出N个数值,可用于遍访数组内部的数据,非常适合对数组进行索引操作,是对数组类型数据处理的神器。

分配器用于对数组进行指定位置的数据赋值。Y0是当前待处理数组,Idx1是数组的某一位索引,U是数组某一位具体的数值。假设Idx1=a,U=b,表达的意思就是将数组Y0的第a位数值替换为b。

所以上图中,通过迭代器和分配器配合,在每一个仿真步长,将数组的每一位向下一位赋值,实现该子系统右移的功能。

上图绿框中的赋值部分相对就比较简单,只有一个分配器,即将实时刷新的值赋值到第一位,实现数据更新。

下面进行简单的仿真验证,先进行模块基本设置。

这里设置滚动的数组长度为5,初始值为0,所以Delay模块给定数组[0 0 0 0 0]。

c0e19dbec01b9a265a2beee060e35fcb.png

模型中迭代器长度设置为4,因为我们只需要对数组第一位以外的进行处理。

2c9ba514fe320b0a483a500376483213.png

两处分配器都可以设置为One-based,Index vector(port)。

70f268ac459e0c7594dc209a98bbf0af.png

实时更新的数据我们给定一个线性增长的ramp,初始值为0,斜率为1,然后进行步长为1s的定步长仿真,结果如下图。

e42e6935bfbadbd5f45e7abec90d9678.png

从图中可以看出:

  • 初始时刻数组的第一到第五位均为0,即[0 0 0 0 0];
  • 1s时,数组的第一位被刷新为1,即[1 0 0 0 0];
  • 2s时,数组的第一位被刷新为2,第二位被1s时第一位的1覆盖,即[2 1 0 0 0];
  • 3s时,数组的第一位被刷新为3,第二位被2s时第一位的2覆盖,第三位被2s时第二位的1覆盖,即[3 2 1 0 0];
  • ……

实现了数据的实时滚动刷新。

以上,通过Simulink的方式实现了数据的滚动刷新,在MBD开发过程还是有很大使用前景的。不管是车辆的能耗计算,还是动态规划等算法的实施,你可能都会用到滚动刷新的实时数据。

【责任编辑:

未丽燕

TEL:(010)68476606】


点赞 0

最后

以上就是如意火龙果最近收集整理的关于内部矩阵维度必须一致simulink_如何通过Simulink实现数据滚动刷新的全部内容,更多相关内部矩阵维度必须一致simulink_如何通过Simulink实现数据滚动刷新内容请搜索靠谱客的其他文章。

本图文内容来源于网友提供,作为学习参考使用,或来自网络收集整理,版权属于原作者所有。
点赞(207)

评论列表共有 0 条评论

立即
投稿
返回
顶部