导读] nRF51822 是功能强大、高灵活性的多协议 SoC,非常适用于 Bluetooth® 低功耗和 2.4GHz 超低功耗无线应用。
同系列芯片资料推荐:
主流蓝牙BLE控制芯片详解(1):TI CC2540
主流蓝牙BLE控制芯片详解(2):CSR BC6130
主流蓝牙BLE控制芯片详解(3):创杰 IS1685S
Nordic nRF51822简介
nRF51822 是功能强大、高灵活性的多协议 SoC,非常适用于 Bluetooth® 低功耗和 2.4GHz 超低功耗无线应用。 nRF51822 基于配备 256kB flash + 16kB RAM 的 32 位 ARM® Cortex™ M0 CPU 而构建。 嵌入式 2.4GHz 收发器支持蓝牙低功耗及 2.4GHz 操作,其中 2.4GHz 模式与 Nordic Semiconductor 的 nRF24L 系列产品无线兼容。
nRF51822 还具备丰富的模拟和数字周边产品,可以在无需 CPU 参与的情况下通过可编程周边产品互联 (PPI) 系统进行互动。 灵活的 31 引脚 GPIO 映射方案可使 I/O(例如串行接口、PWM 和正弦解调器)根据 PCB 需求指示映射到任何设备引脚。 这可实现完全的设计灵活性及引脚位置和功能。
nRF51822 支持 S110 蓝牙低功耗协议堆栈及 2.4GHz 协议堆栈(包括 Gazell),这两种协议堆栈在 nRF518 软件开发套件中均免费提供。nRF51822 需要单独供电,如果供电范围在 1.8-3.6V 之间,用户可选择使用芯片上的线性整流器,如果供电范围在 2.1-3.6V 之间,可以选择直流 1.8V 模式和芯片上的 DCDC 变压器。DC-DC 变压器的使用可在工作期间动态控制,并使 nRF51822 工作期间的射频峰值电流低于 10 mA @ 3V 供电 (TX @ 0 dBm & RX)。
nRF51822 具有 6x6mm 48 引脚 QFN 封装和 3.5x3.8mm 64 球形晶片水平芯片级封装 (WLCSP)。
nRF51822 提供 256k 或 128kB Flash 容量的不同版本。
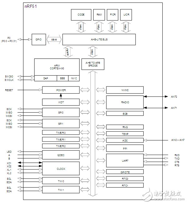
API功能框图

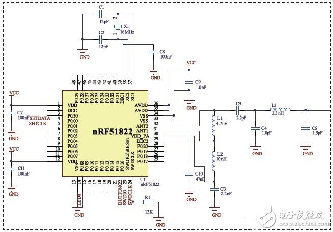
应用电路图

单芯片, 高灵活性, 2.4GHz 多协议设备
32 位 ARM Cortex M0 CPU 内核
256KB flash 16KB RAM
支持 S110 蓝牙低功耗协议堆栈
S110 需要 80 kB 内存空间
线程安全和运行时保护
事件驱动 API
与 nRF24L 系列无线兼容
3 种数据率 (2Mbps/1Mbps/250kbps)
+4dBm 输出功率
-92.5dBm 敏感度、蓝牙低功耗
用于最大化能源效率应用和代码简化的 PPI 系统
具备对每个周边产品进行自动能源管理的灵活能源管理系统
用于模拟和数字 I/O 的可配置 I/O 映射
相关产品

2.4 ghz多协议广播
-多协议广播
-+ 4 dBm - -20 dBm的输出功率
-93dBm接收灵敏度 蓝牙低功耗模式
-96dBm RX 250 kbs的敏感性
-90 dBm接收灵敏度(1 Mbs)
-85 dBm接收灵敏度(2 Mbs)
-2 Mbps / 1 Mbps / 250 kbps可编程在空气数据速率
-优秀的共存的性能
-兼容16兆赫40±ppm晶体
CPU
-32位ARM®皮层™M0 32位CPU
内存
-256/128 KB嵌入式闪存
-16 KB RAM
系统外围设备
-一个32和两个16位定时器与计数器模式
-16通道独立CPU可编程外围互连(PPI)
-128位AES加密央行/ CCM / AAR协同处理器
-RNG
-RTC
-温度传感器
gpio
-灵活的GPIO管脚排列
-31 GPIO
-4 PWM
数字I / O
-数字接口SPI主/从,2线的主人(I2C兼容),UART(CTS / RTS)
-正交译码器
模拟I / O
-8/9/10位ADC - 8可配置的通道
-低功率比较器
振荡器
-16兆赫XO
-16兆赫RCOSC
-32 hhx XO
-32 khz RCOSC
电源管理
-电源电压范围宽(1.8 V至3.6 V)
-灵活的电源管理方案
-芯片上的直流/直流转换器
-0.6µA @ 3 v模式
-1.2µA @ 3 v模式+ 1地区RAM保留
-2.6µA @ 3 v模式,所有块在空闲模式
蓝牙低能量协议栈
-蓝牙低能量堆栈
-协议管理器
-SoC 库应用:
移动电话配件
PC 周边产品
消费电子 (CE) 遥控器
邻近/警报传感器
运动、健身和医疗保健传感器
智能 RF 标记
玩具和电子游戏
智能家用设备
工业和商用传感器
典型案例
nRFready Smart Remote 2
nRFready Smart Remote 2是一个远程控制的参考设计基于nRF51822 SoC(SoC)提供一个高性能、超低功率和成本有效的射频遥控的设计。 nRF51822 SoC支持 蓝牙 ®智能和2.4 GHz Gazell协议,使所有协议和应用程序固件在单个芯片上运行。
这个参考设计的理想平台研发先进的可以上网的电视机和机顶盒遥控器以及对电脑的无线多点触控触摸板。 它包括一个遥控板与多点触控触摸板,QWERTY键盘,低功率加速度计,六轴运动传感器和一个nRF51822无线电模块。 固件支持完整的产品,同时支持多协议的非并发的功能 蓝牙 低能量和2.4 GHz Gazell。

特性
完整的硬件和软件设计的参考 蓝牙 聪明和2.4 ghz Gazell远程控制解决方案
由北欧nRF51822 蓝牙 聪明的多协议SoC
固件支持的协议和应用程序在一个集成电路
Inter-changeable连接模块
基于流行的手臂Cortex-M0架构
六轴运动传感“无线”导航
超低能耗的加速度计
包含完整源代码和硬件设计文件
红外LED遗留设备支持
nRF51822相关设计方案下载:
1.蓝牙串口接口NORDIC的nRF51822电路图
最后
以上就是外向可乐最近收集整理的关于<转>主流蓝牙BLE控制芯片详解(4):Nordic nRF51822的全部内容,更多相关<转>主流蓝牙BLE控制芯片详解(4):Nordic内容请搜索靠谱客的其他文章。
发表评论 取消回复