源码已经托管至Github,欢迎star:点这里
一、
LED计数电路
电路外观封装:
Ctrl可以拖拽组件到网格线上
然后进行封装,中间的那个是戳工具,用于定位组件中心位置
然后在另外一个电路中拖动这个电路文件,就可以使用封装过的电路啦
测试很有必要,这么简单的线路我还接错了。。。、
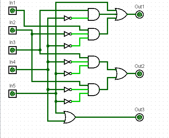
2.
然后利用真值表建立五输入按键编码器
真值表不需要填表,借助Excel真值表自动生成表达式即可生成逻辑表达式帮助建表
下载链接
设计流程:
三、七段数码管显示驱动电路

最后
以上就是迷路钢笔最近收集整理的关于logism数电实验一 新手入门实验的全部内容,更多相关logism数电实验一内容请搜索靠谱客的其他文章。
本图文内容来源于网友提供,作为学习参考使用,或来自网络收集整理,版权属于原作者所有。
发表评论 取消回复