
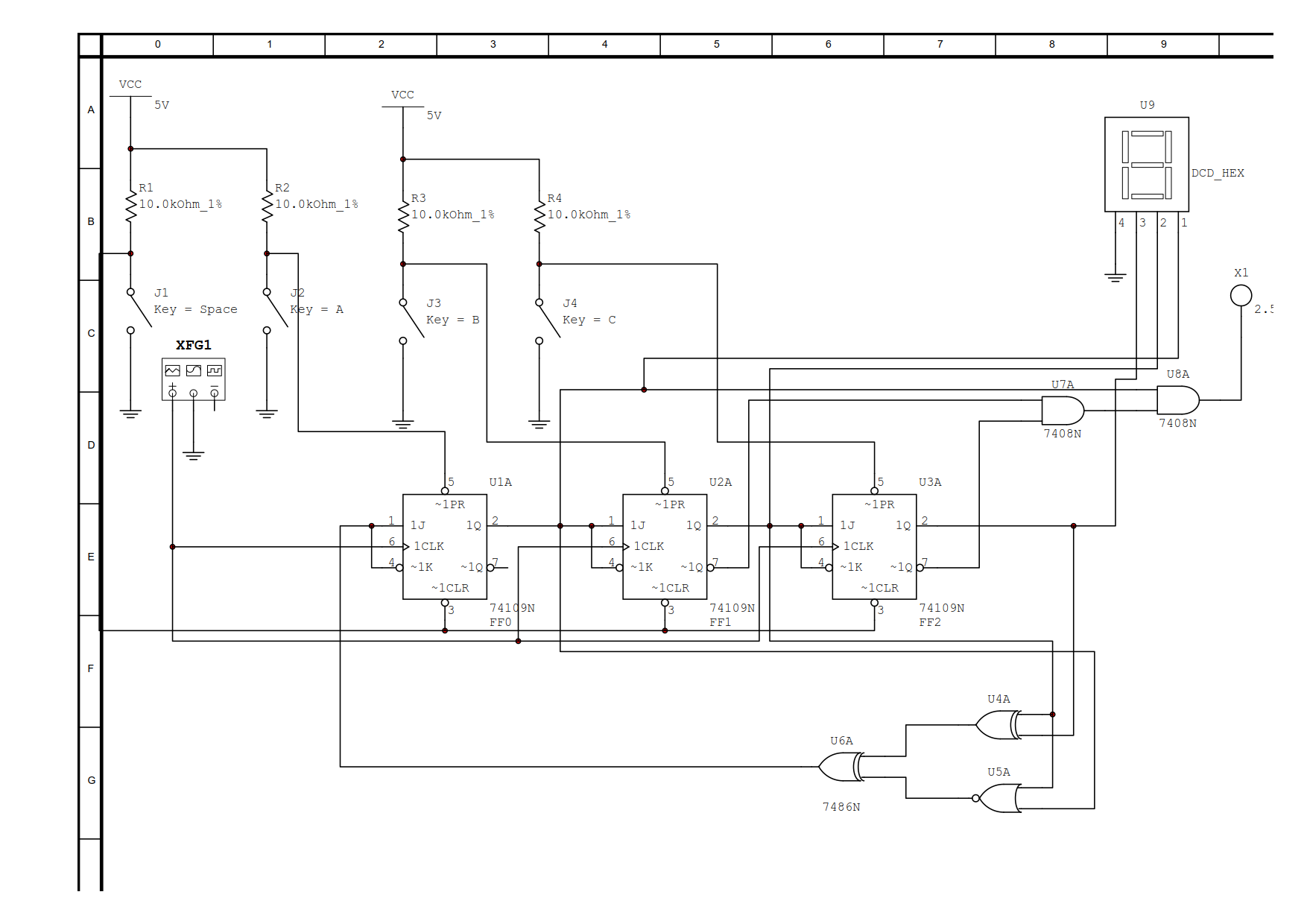
题: 分析该时序逻辑电路的功能, 写出电路的驱动方程、状态方程和输出方程, 画出电路的状态转换图和时序图.
分析:
第一步, 根据电路逻辑图写出驱动方程和输出方程.

第二步, 根据驱动方程求出状态方程.

第三步, 根据状态方程绘制状态表.

第四步, 根据状态表绘制状态图.

第五步, 根据状态图分析电路的逻辑功能.
由绘制的状态图可以看出, 电路共有8个有效状态(所有状态均为有效状态)000、001、010、101、011、111、110、100; 当电路状态为001时, 输出Y=1, 其它状态的输出Y=0——这是一个同步八进制计数器.
由于电路没有无效状态, 所以不需验证自启动功能.
最后
以上就是畅快水蜜桃最近收集整理的关于经典同步时序逻辑电路分析汇总(第四道)(同步八进制计数器)的全部内容,更多相关经典同步时序逻辑电路分析汇总(第四道)(同步八进制计数器)内容请搜索靠谱客的其他文章。
本图文内容来源于网友提供,作为学习参考使用,或来自网络收集整理,版权属于原作者所有。
发表评论 取消回复