目录
一、结构
二、工作原理
三、存在的缺点
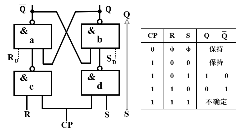
一、结构

二、工作原理

当 CP=1 时,

a、b门输入为1,根据RS触发器原理,触发器保持原状态不变。
当 CP=1 时,

模仿RS触发器工作原理分析即可,不过输入组合与相应功能恰好相反。

- 当 CP=0 时,无论R、S取何种值组合,输出端均保持原状态;
- 只有当 CP=1 时,将 c门 和 d门 打开,控制端R、S的取值组合反映到输出端;
- 当 CP 由1变为0 后,R、S输入端的值即锁存在输出端。
三、存在的缺点
优点:
同步RS触发器解决了定时控制的问题。
缺点:
- 1、输入信号依然存在着约束条件;
- 2、可能出现“空翻”现象,即在一个时钟脉冲作用下,引起触发器的状态翻转两次或多次的现象,从而造成逻辑上的混乱。
个人理解的空翻:
若没有在CP=1这个时间段中保持输入的值组合,那么输出将会因为输入的改变而改变,我们得不到我们希望得到的输出结果。
最后
以上就是大胆小猫咪最近收集整理的关于钟控同步触发器(RS锁存器)的全部内容,更多相关钟控同步触发器(RS锁存器)内容请搜索靠谱客的其他文章。
本图文内容来源于网友提供,作为学习参考使用,或来自网络收集整理,版权属于原作者所有。
发表评论 取消回复